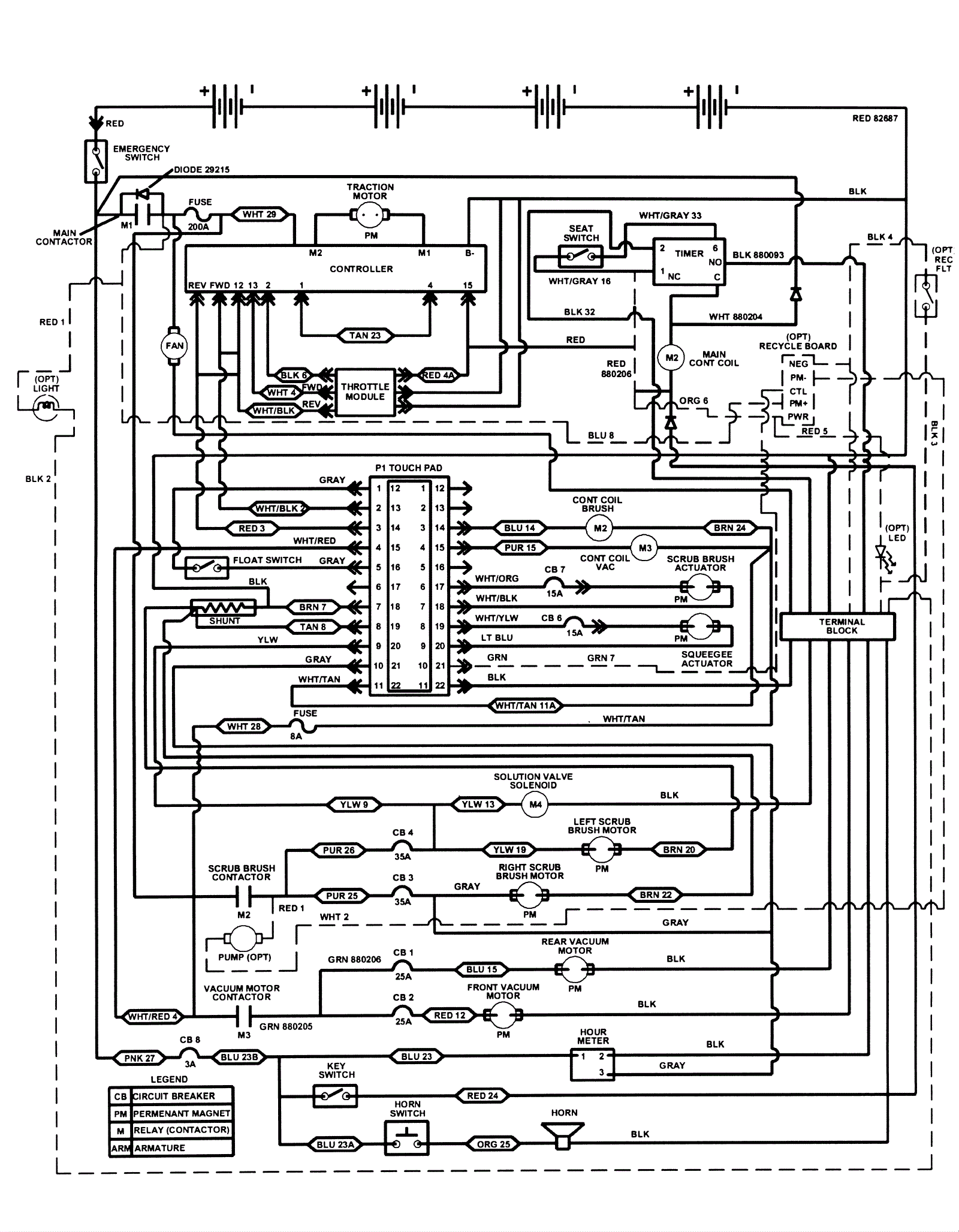
Wiring Schematic
Click to enlarge