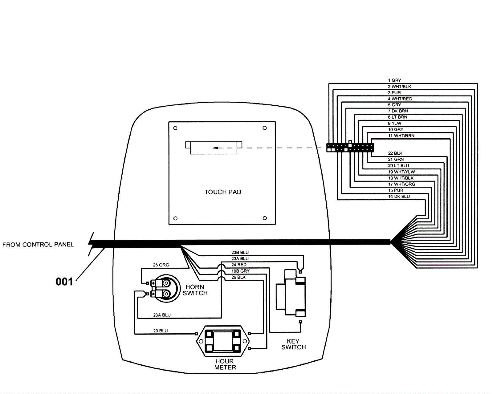
Touch Pad Harness
Click to enlarge
#
Part
Description
Price
Req
Notes
Availability
001
173-3233
touch pad harness (OBSOLETE)
$203.17
usually ships 1-5 days