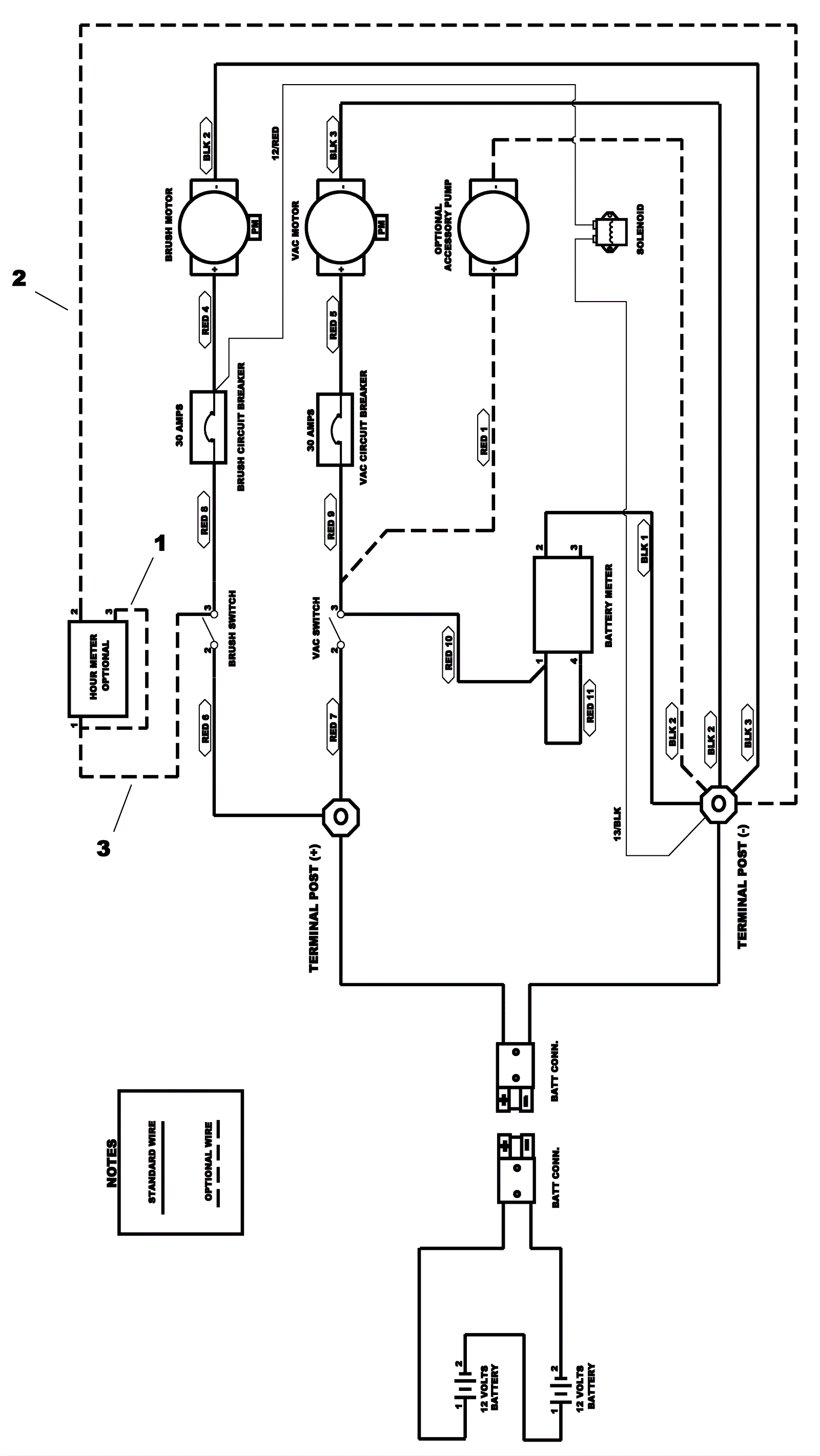
Wiring Diagram - Non-Traction
Click to enlarge
#
Part
Description
Price
Req
Notes
Availability
1
173-3131
4 inch wire (red)
$11.11
1
usually ships 1-5 days
2
173-3135
6 inch wire (black)
$12.83
1
usually ships 1-5 days
3
173-3133
8 inch wire (red)
$16.50
1
usually ships 1-5 days