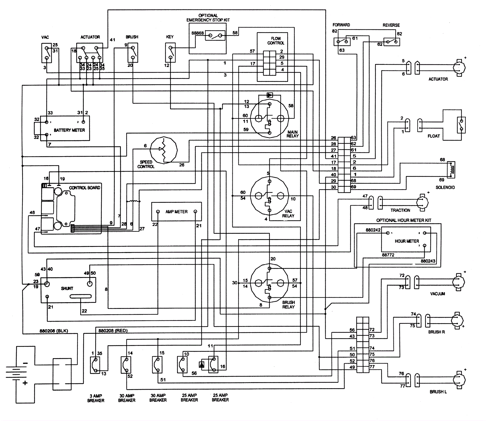
Schematic before S/N 1000034671
Click to enlarge