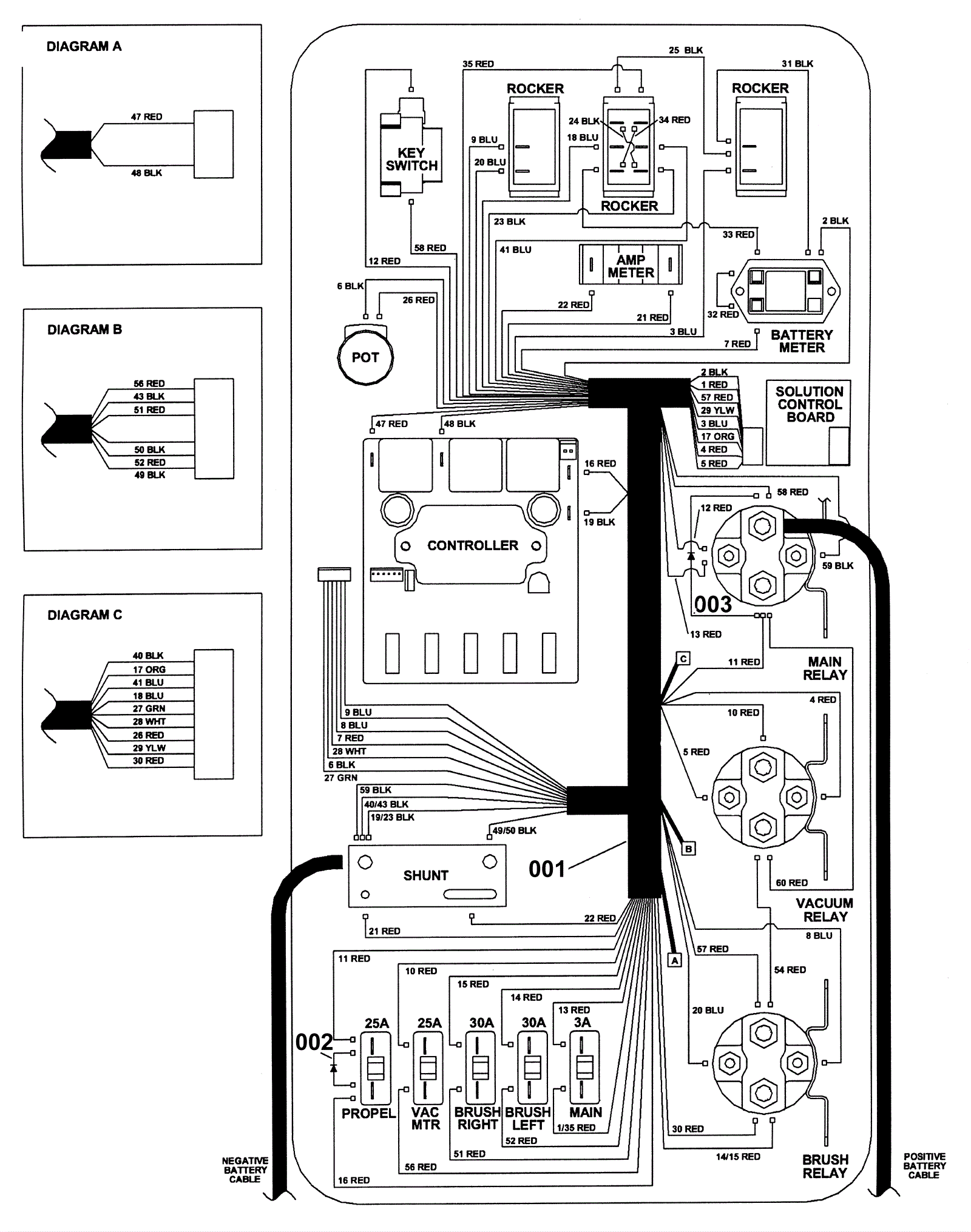
Saber 24
Control Panel after S/N 1000034671
Click to enlarge
#
Part
Description
Price
Req
Notes
Availability
001
173-1715
Panel harness (OBSOLETE)
$272.61
1
usually ships 1-5 days
002
173-1716
Diode assembly
$57.55
1
usually ships 11-15 days
003
189-0372
Diode assembly
$148.58
1
usually ships 12-17 days