| # | Part | Description | Price | Req | Notes | Availability |
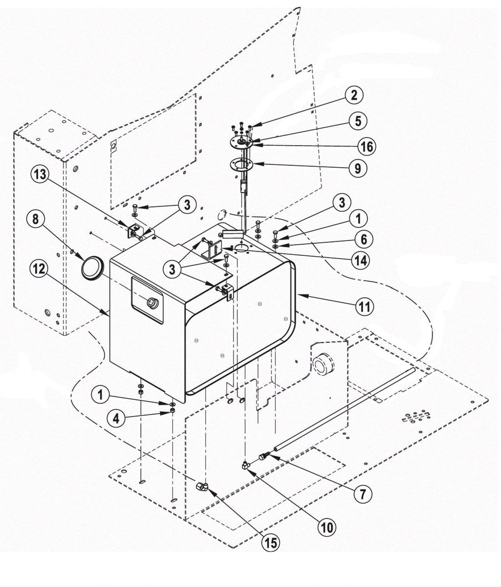
1 |
999-0123
|
Washer 1/4 SAE flat zinc plated |
$0.99
|
10 |
|
ships same day |
2 |
999-0371
|
Screw 10-32 x 1/2 pan head phillips zinc plated |
$0.99
|
5 |
|
ships same day |
3 |
999-1099
|
Bolt 1/4-20 x 3/4 hex head stainless steel |
$0.99
|
8 |
|
ships same day |
4 |
999-0294
|
Nut 1/4-20 hex nylon lock type NE stainless steel |
$1.18
|
2 |
|
ships same day |
6 |
372-1011
|
Washer 1/4 |
$12.89
|
2 |
|
usually ships 13-18 days |
7 |
372-1012
|
Fitting |
$12.89
|
1 |
|
usually ships 1-5 days |
8 |
372-1013
|
Cap |
$34.23
|
1 |
|
usually ships 1-5 days |
9 |
372-1014
|
Gasket |
$12.89
|
1 |
|
usually ships 1-5 days |
10 |
372-1015
|
Fitting |
$12.89
|
1 |
|
usually ships 1-5 days |
11 |
372-1016
|
Fuel tank |
$1,373.77
|
1 |
|
usually ships 1-5 days |
12 |
372-1017
|
Weldment cover |
$188.89
|
1 |
|
usually ships 1-5 days |
13 |
372-1018
|
Bracket clamp |
$24.09
|
2 |
|
usually ships 1-5 days |
14 |
372-1019
|
Battery clamp |
$16.20
|
2 |
|
usually ships 1-5 days |
15 |
372-1020
|
Fitting |
$62.32
|
1 |
|
usually ships 1-5 days |
16 |
270-0645
|
Fuel tank float |
$184.81
|
1 |
|
usually ships 1-5 days |