| # | Part | Description | Price | Req | Notes | Availability |
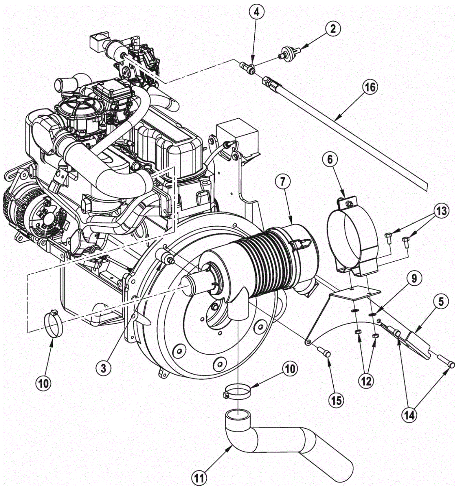
2 |
272-3353
|
Switch N C Pressure |
$208.89
|
1 |
|
usually ships 1-5 days |
3 |
272-3288
|
Service indicator |
$138.29
|
1 |
|
usually ships 13-18 days |
4 |
272-3337
|
Tee |
$51.96
|
1 |
|
usually ships 1-5 days |
5 |
372-1114
|
Air cleaner bracket |
$72.26
|
1 |
|
usually ships 1-5 days |
6 |
372-1115
|
Air cleaner clamp |
$59.84
|
1 |
|
usually ships 1-5 days |
7 |
372-1022
|
Air filter |
$208.89
|
1 |
|
usually ships 1-5 days |
9 |
999-0024
|
Washer 5/16 flat stainless steel |
$1.34
|
2 |
|
ships same day |
10 |
997-2003
|
Hose clamp |
$2.66
|
5 |
|
ships same day |
11 |
372-1116
|
Air intake hose |
$69.07
|
1 |
|
usually ships 1-5 days |
12 |
999-0211
|
Nut 5/16-18 hex nylon insert lock zinc plated |
$0.99
|
2 |
|
ships same day |
13 |
999-0132
|
Bolt 5/16-18 x 3/4 hex head grade 5 zinc plated |
$2.64
|
2 |
|
ships same day |
14 |
372-1117
|
Screw 3/8-16 x 1 1/2 |
$12.89
|
2 |
|
usually ships 1-5 days |
15 |
372-1118
|
Screw 3/8-16 x 1 1/2 |
$11.35
|
1 |
|
usually ships 1-5 days |
16 |
372-1084
|
Hose |
$163.03
|
1 |
|
usually ships 1-5 days |