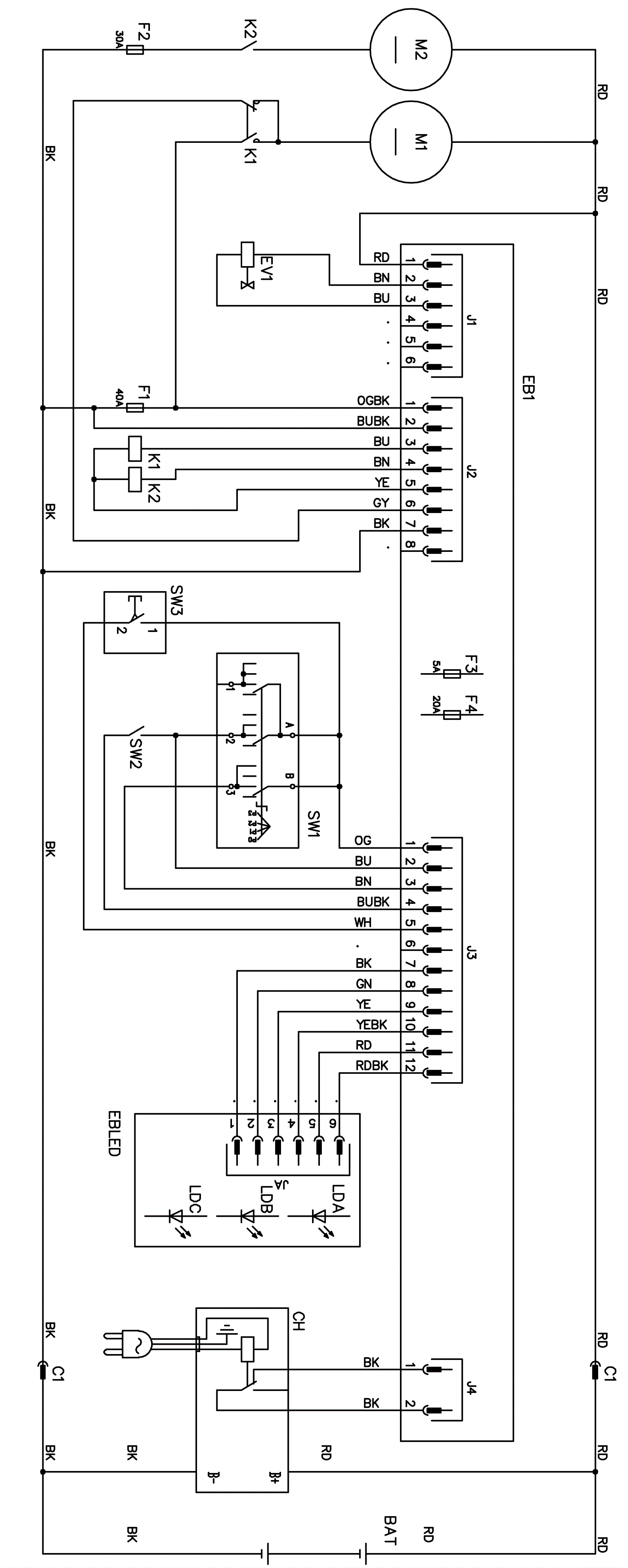
SC400
Wiring Diagram - Battery Model
# | Part | Description | Price | Req | Notes | Availability |
BAT |
N/A
|
Not available |
Call for price
|
|
(24V battery) |
usually ships 3-26 days |
C1 |
991-9284
|
50amp charger plug SB50 with pins (red) |
$7.19
|
|
|
usually ships 1-5 days |
CH |
372-1151
|
24V 8amp onboard battery charger |
$1,056.61
|
|
|
usually ships 13-18 days |
EB1 |
272-8667
|
Electronics board |
$284.00
|
|
|
usually ships 13-18 days |
EBLED |
272-8646
|
LED board |
$37.05
|
|
|
usually ships 1-5 days |
EV1 |
272-5487
|
24V solenoid valve |
$160.86
|
|
|
ships same day |
F1 |
272-6292
|
40amp brush fuse strip |
$12.31
|
|
|
ships same day |
F2 |
272-7144
|
30amp fuse |
$12.31
|
|
|
usually ships 13-18 days |
F3 |
181-0962
|
5 amp fuse |
$5.50
|
|
|
usually ships 13-18 days |
F4 |
272-9276
|
20amp fuse |
$12.31
|
|
|
usually ships 13-18 days |
K1 |
272-6328
|
24V electromagnetic switch |
$118.65
|
|
|
usually ships 13-18 days |
K2 |
272-9288
|
24V relay |
$35.60
|
|
|
ships same day |
LDA |
N/A
|
Not available |
Call for price
|
|
(green led) |
usually ships 3-26 days |
LDB |
N/A
|
Not available |
Call for price
|
|
(green/yellow led) |
usually ships 3-26 days |
LDC |
N/A
|
Not available |
Call for price
|
|
(green/red led) |
usually ships 3-26 days |
M1 |
372-1270
|
24V brush motor |
$1,684.68
|
|
|
usually ships 13-18 days |
M2 |
181-2010
|
24V vacuum motor kit |
$421.17
|
|
|
usually ships 13-18 days |
SW1 |
272-8648
|
Rotative switch |
$18.08
|
|
|
usually ships 13-18 days |
SW2 |
272-8640
|
Switch |
$30.71
|
|
|
ships same day |
SW3 |
272-8647
|
Switch |
$9.12
|
|
|
usually ships 13-18 days |