| # | Part | Description | Price | Req | Notes | Availability |
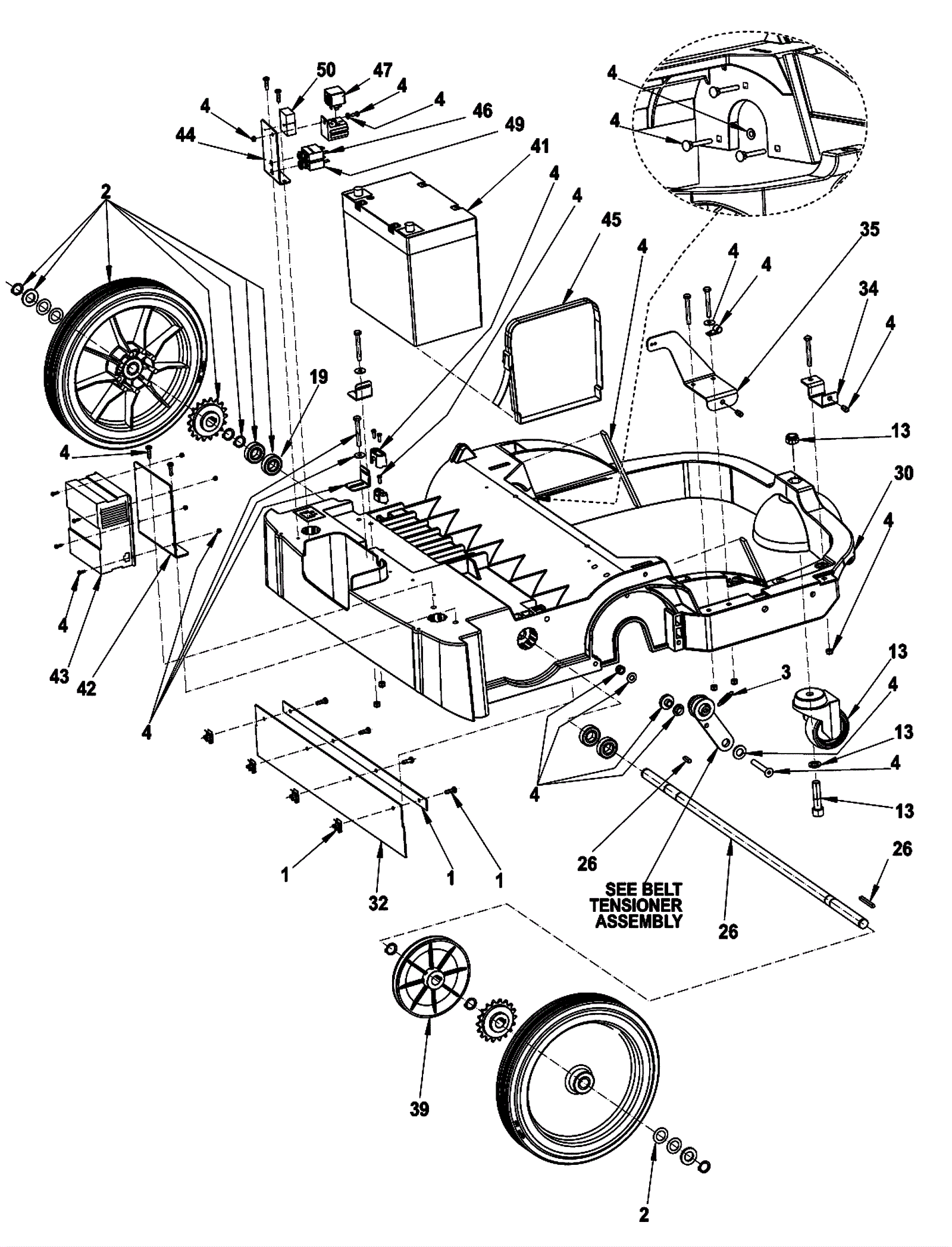
1 |
272-9526
|
Skirts kit |
$184.81
|
1 |
|
usually ships 13-18 days |
2 |
272-8965
|
Wheel kit |
$288.88
|
2 |
|
usually ships 13-18 days |
3 |
272-9488
|
Spring |
$11.35
|
1 |
|
usually ships 13-18 days |
4 |
272-8966
|
Transmission hardware kit |
$232.99
|
1 |
|
usually ships 13-18 days |
13 |
272-8967
|
Caster wheel kit |
$85.44
|
1 |
|
usually ships 13-18 days |
19 |
172-7074
|
Ball Bearing |
$83.64
|
4 |
|
usually ships 13-18 days |
26 |
272-8968
|
Wheel shaft kit |
$168.42
|
1 |
|
ships same day |
30 |
272-9503
|
Chassis |
$401.42
|
1 |
|
usually ships 13-18 days |
32 |
272-9527
|
Non marking skirt flap |
$83.92
|
1 |
|
usually ships 13-18 days |
34 |
272-9507
|
Carter fixing bracket |
$32.56
|
1 |
|
usually ships 1-5 days |
35 |
272-9508
|
Carter fixing bracket |
$48.17
|
1 |
|
usually ships 1-5 days |
39 |
272-9512
|
Pulley |
$37.27
|
1 |
|
ships same day |
41 |
162-0042
|
12V 115Ah AGM battery (Group 31) (SNSR) |
$500.50
|
1 |
|
usually ships 27-29 days |
42 |
272-9514
|
Battery charger fix bracket |
$38.79
|
1 |
|
usually ships 1-5 days |
43 |
272-8551
|
12V 6amp onboard battery charger |
$425.22
|
1 |
|
usually ships 13-18 days |
44 |
272-9515
|
Electronic component support |
$24.09
|
1 |
|
usually ships 1-5 days |
45 |
272-8552
|
Battery strap |
$27.84
|
1 |
|
usually ships 1-5 days |
46 |
272-9516
|
5amp circuit breaker |
$64.38
|
1 |
|
usually ships 13-18 days |
47 |
272-9517
|
12V 70amp relay |
$40.44
|
1 |
|
usually ships 13-18 days |
49 |
272-2572
|
30amp circuit breaker |
$85.44
|
1 |
|
usually ships 13-18 days |
50 |
272-9519
|
Fuse carrier |
$11.35
|
1 |
|
usually ships 1-5 days |
N/S |
272-9524
|
Machine harness |
$409.17
|
1 |
|
usually ships 1-5 days |
N/S |
272-9527
|
Non marking skirt flap |
$83.92
|
1 |
|
usually ships 13-18 days |
N/S |
272-8969
|
Cable extension (OBSOLETE) |
$24.74
|
1 |
|
usually ships 13-18 days |
N/S |
272-8970
|
7 1/2amp fuse |
$12.89
|
1 |
|
usually ships 1-5 days |