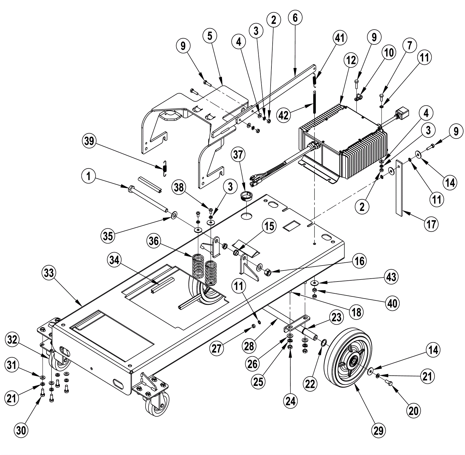
| # | Part | Description | Price | Req | Notes | Availability |
1 |
999-0351
|
Bolt 1/2-13 x 7 hex head grade 5 zinc plated |
$10.54
|
1 |
|
ships same day |
2 |
999-0190
|
Nut 1/4-20 hex plain finish |
$0.99
|
4 |
|
ships same day |
3 |
999-0060
|
Washer 1/4 split lock plain finish |
$0.99
|
6 |
|
ships same day |
4 |
999-0016
|
Washer 1/4 flat plain finish |
$0.99
|
4 |
|
ships same day |
5 |
272-8928
|
Lift weldment (OBSOLETE) |
$127.27
|
1 |
|
usually ships 1-5 days |
6 |
272-8929
|
Adjustment arm |
$14.85
|
1 |
|
usually ships 1-5 days |
7 |
999-0020
|
Bolt 1/4-20 x 3/4 hex head grade 5 zinc plated |
$0.99
|
1 |
|
ships same day |
9 |
999-0197
|
Screw 1/4-20 x 1 socket head alloy plain finish |
$0.99
|
4 |
|
ships same day |
10 |
272-8471
|
P clamp |
$12.89
|
1 |
|
usually ships 1-5 days |
11 |
999-0017
|
Washer 1/4 external star lock |
$0.99
|
4 |
|
ships same day |
12 |
272-2224
|
36V onboard battery charger |
$1,359.52
|
1 |
|
ships same day |
14 |
999-0160
|
Washer 1/4 x 1 1/4 fender zinc plated |
$0.99
|
6 |
|
ships same day |
15 |
272-8469
|
Nominal bushing |
$14.41
|
2 |
|
usually ships 13-18 days |
16 |
999-0118
|
Nut 1/2-13 nylon insert lock zinc plated |
$0.99
|
1 |
|
ships same day |
17 |
170-7146
|
Static strap |
$14.41
|
1 |
|
usually ships 13-18 days |
18 |
999-0119
|
Bolt 3/8-16 x 3/4 hex head grade 5 zinc plated |
$1.01
|
4 |
|
ships same day |
20 |
999-1186
|
Screw 5/16-24 x 3/4 hex head |
$12.89
|
2 |
|
ships same day |
21 |
999-0028
|
Washer 5/16 split lock plain finish |
$0.99
|
10 |
|
ships same day |
22 |
170-1754
|
Washer M1 flat nylon |
$12.89
|
2 |
|
usually ships 13-18 days |
23 |
170-1324
|
Snap ring |
$2.66
|
2 |
|
usually ships 12-15 days |
24 |
999-0170
|
Nut 3/8-16 hex plain finish |
$0.99
|
4 |
|
ships same day |
25 |
999-0659
|
Washer 3/8 medium split lock stainless steel |
$0.39
|
4 |
|
ships same day |
26 |
999-0032
|
Washer 3/8 USS flat plain finish |
$2.42
|
4 |
|
ships same day |
27 |
999-0294
|
Nut 1/4-20 hex nylon lock type NE stainless steel |
$1.18
|
1 |
|
ships same day |
28 |
272-8473
|
Non-traverse axle weldment |
$206.47
|
1 |
|
usually ships 1-5 days |
29 |
272-8472
|
8 inch wheel |
$91.65
|
2 |
|
ships same day |
30 |
999-0132
|
Bolt 5/16-18 x 3/4 hex head grade 5 zinc plated |
$2.64
|
8 |
|
ships same day |
31 |
999-0549
|
Washer 5/16 x 3/4 SAE flat stainless steel |
$0.99
|
8 |
|
ships same day |
32 |
272-8474
|
3 1/2 inch swivel caster |
$47.84
|
2 |
|
ships same day |
33 |
N/A
|
Not available |
Call for price
|
1 |
(24 inch mainframe weldment) |
usually ships 3-26 days |
34 |
170-7070
|
Gasket |
$12.89
|
3 |
|
usually ships 13-18 days |
35 |
170-5602
|
Washer |
$1.21
|
2 |
|
usually ships 12-15 days |
36 |
272-8930
|
Compression spring |
$16.50
|
2 |
|
usually ships 1-5 days |
37 |
272-8466
|
Insulating bushing |
$9.59
|
1 |
|
ships same day |
38 |
999-0323
|
Screw 1/4-20 x 1/2 pan head slotted zinc plated |
$0.99
|
2 |
|
ships same day |
39 |
272-8467
|
Extension spring |
$11.99
|
1 |
|
usually ships 1-5 days |
40 |
999-0423
|
Nut 5/16-18 nylon insert lock stainless steel |
$0.99
|
2 |
(after April 2010) |
ships same day |
41 |
272-3541
|
Extension spring |
$17.06
|
1 |
(after April 2010) |
usually ships 13-18 days |
42 |
272-3542
|
Adjustment rod |
$17.05
|
1 |
(after April 2010) |
usually ships 13-18 days |
43 |
999-0160
|
Washer 1/4 x 1 1/4 fender zinc plated |
$0.99
|
1 |
(after April 2010) |
ships same day |