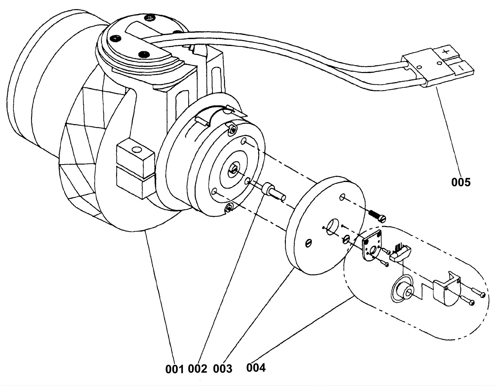
Drive Encoder Assembly
Click to enlarge