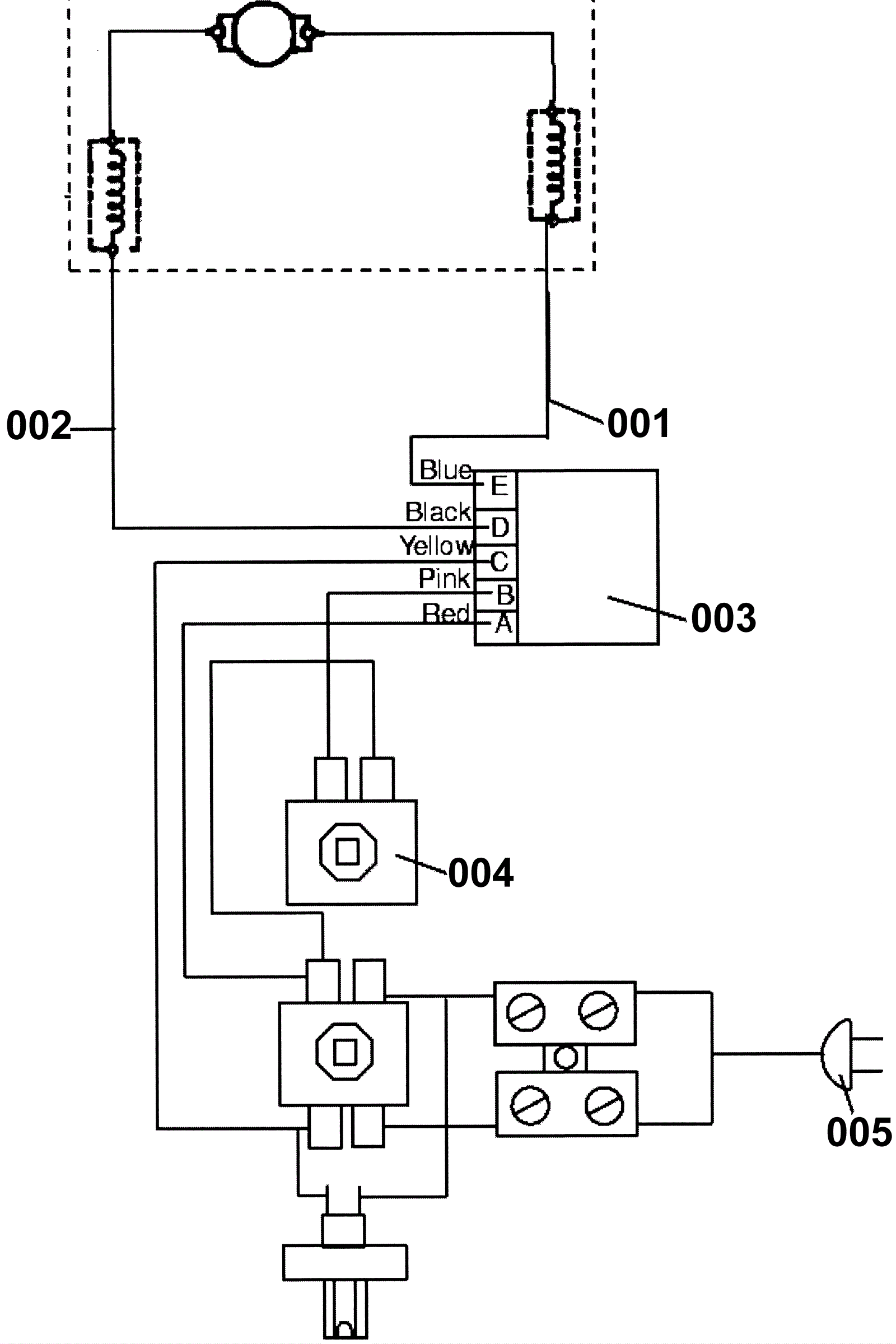
Electrical Diagram 110V-120V
Click to enlarge