| # | Part | Description | Price | Req | Notes | Availability |
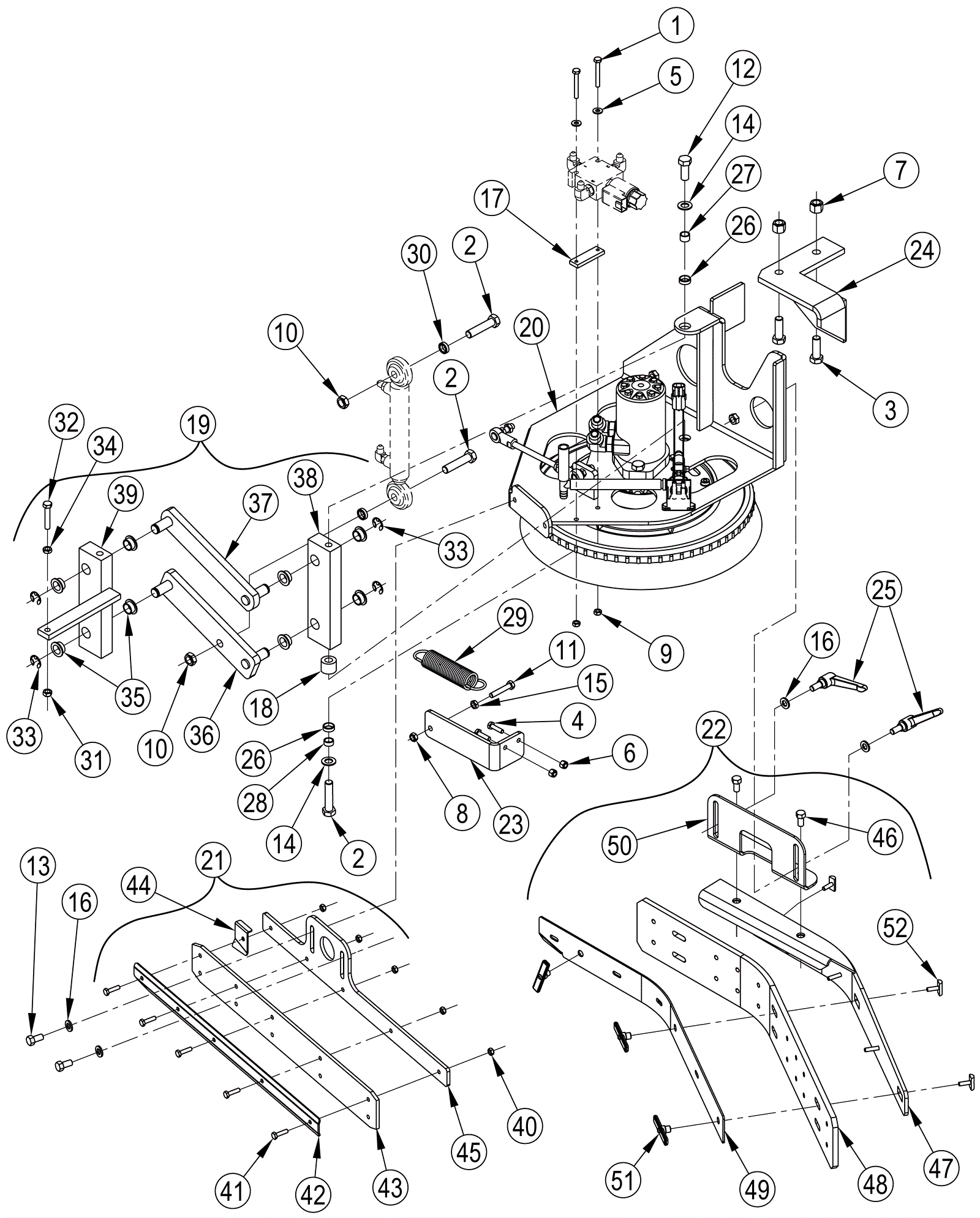
1 |
999-1892
|
Screw 1/4-20 x 2 hex cap stainless steel |
$1.52
|
2 |
|
ships same day |
2 |
999-0691
|
Bolt 1/2-13 x 2 1/4 hex head grade 5 |
$1.50
|
3 |
|
ships same day |
3 |
999-0558
|
Bolt 1/2-13 x 1 1/2 hex head stainless steel |
$1.67
|
2 |
|
ships same day |
5 |
999-0335
|
Washer 1/4 x 5/8 SAE flat stainless steel |
$0.99
|
2 |
|
ships same day |
6 |
999-0294
|
Nut 1/4-20 hex nylon lock type NE stainless steel |
$1.18
|
2 |
|
ships same day |
7 |
999-0118
|
Nut 1/2-13 nylon insert lock zinc plated |
$0.99
|
2 |
|
ships same day |
8 |
999-0423
|
Nut 5/16-18 nylon insert lock stainless steel |
$0.99
|
1 |
|
ships same day |
9 |
999-0294
|
Nut 1/4-20 hex nylon lock type NE stainless steel |
$1.18
|
2 |
|
ships same day |
10 |
999-0262
|
Nut 1/2-13 nylon insert jam lock zinc plated |
$0.99
|
2 |
|
ships same day |
11 |
999-0551
|
Bolt 5/16-18 x 1 3/4 hex head stainless steel |
$1.63
|
1 |
|
ships same day |
12 |
999-0200
|
Bolt 1/2-13 x 1 1/4 hex head |
$3.45
|
1 |
|
ships same day |
13 |
272-5257
|
Bolt 3/8-16 x 3/4 hex head lock |
$12.89
|
2 |
|
usually ships 1-5 days |
14 |
172-0550
|
Washer 33/64 x 3/4 flat |
$11.35
|
2 |
|
usually ships 13-18 days |
15 |
999-1019
|
Nut 5/16-18 hex jam stainless steel |
$0.99
|
1 |
|
ships same day |
16 |
181-0015
|
Washer flat |
$9.70
|
4 |
|
usually ships 13-18 days |
17 |
272-3819
|
Nut plate |
$57.76
|
1 |
|
usually ships 1-5 days |
18 |
272-3820
|
Spacer |
$19.25
|
1 |
|
usually ships 1-5 days |
19 |
272-3821
|
Brush arm assembly |
$567.31
|
1 |
(includes 31-39) |
usually ships 1-5 days |
20 |
272-3822
|
Brush drive assembly |
$1,426.96
|
1 |
|
usually ships 1-5 days |
21 |
272-3823
|
Skirt assembly |
$433.22
|
1 |
(includes 40-45) |
usually ships 1-5 days |
22 |
272-3824
|
Right hand scrub skirt assembly |
$689.40
|
1 |
(includes 46-52) |
usually ships 1-5 days |
23 |
272-3825
|
Spring bracket |
$24.09
|
1 |
|
usually ships 1-5 days |
24 |
272-3826
|
Stop weldment |
$104.81
|
1 |
|
usually ships 1-5 days |
25 |
272-3827
|
Locking handle |
$59.84
|
2 |
|
usually ships 1-5 days |
26 |
272-3828
|
Sleeve bearing |
$16.20
|
2 |
|
usually ships 1-5 days |
27 |
172-0072
|
Bushing |
$51.35
|
1 |
|
usually ships 13-18 days |
28 |
172-0139
|
Bushing |
$14.41
|
1 |
|
usually ships 1-5 days |
29 |
172-9090
|
Extension spring |
$69.07
|
1 |
|
usually ships 13-18 days |
30 |
272-8765
|
Bushing |
$53.61
|
2 |
|
usually ships 13-18 days |
31 |
999-0211
|
Nut 5/16-18 hex nylon insert lock zinc plated |
$0.99
|
1 |
|
ships same day |
32 |
999-0551
|
Bolt 5/16-18 x 1 3/4 hex head stainless steel |
$1.63
|
1 |
|
ships same day |
33 |
172-4038
|
Retaining ring |
$11.35
|
4 |
|
usually ships 1-5 days |
34 |
999-0430
|
Nut 5/16-18 hex jam plain finish |
$0.99
|
1 |
|
ships same day |
35 |
272-3829
|
Flange bearing |
$14.41
|
8 |
|
usually ships 1-5 days |
36 |
272-3830
|
Lower arm weldment |
$168.42
|
1 |
|
usually ships 1-5 days |
37 |
272-3831
|
Upper arm weldment |
$144.38
|
1 |
|
usually ships 1-5 days |
38 |
272-7224
|
Side broom pivot |
$111.46
|
1 |
|
usually ships 1-5 days |
39 |
272-3832
|
Pivot weldment |
$128.91
|
1 |
|
usually ships 1-5 days |
40 |
999-0294
|
Nut 1/4-20 hex nylon lock type NE stainless steel |
$1.18
|
5 |
|
ships same day |
42 |
272-3833
|
Skirt strap |
$58.17
|
1 |
|
usually ships 1-5 days |
43a |
272-7239
|
Right side scrub head blade kit linatex |
$117.26
|
1 |
(includes 2 blades, one of each of the blades needed for the right scrub assembly) |
usually ships 13-18 days |
43b |
272-7240
|
Right side scrub head blade kit gum rubber (tan) |
$88.46
|
1 |
(includes 2 blades, one of each of the blades needed for the right scrub assembly) |
usually ships 1-5 days |
43c |
272-7241
|
Right side scrub head blade kit polyurethane |
$273.28
|
1 |
(includes 2 blades, one of each of the blades needed for the right scrub assembly) |
usually ships 1-5 days |
44 |
272-3834
|
Tab |
$25.75
|
1 |
|
usually ships 1-5 days |
45 |
272-3835
|
Skirt bracket |
$56.65
|
1 |
|
usually ships 1-5 days |
46 |
272-5257
|
Bolt 3/8-16 x 3/4 hex head lock |
$12.89
|
2 |
|
usually ships 1-5 days |
47 |
272-3836
|
Skirt mount weldment |
$177.07
|
1 |
|
usually ships 1-5 days |
48a |
272-7239
|
Right side scrub head blade kit linatex |
$117.26
|
1 |
(includes 2 blades, one of each of the blades needed for the right scrub assembly) |
usually ships 13-18 days |
48b |
272-7240
|
Right side scrub head blade kit gum rubber (tan) |
$88.46
|
1 |
(includes 2 blades, one of each of the blades needed for the right scrub assembly) |
usually ships 1-5 days |
48c |
272-7241
|
Right side scrub head blade kit polyurethane |
$273.28
|
1 |
(includes 2 blades, one of each of the blades needed for the right scrub assembly) |
usually ships 1-5 days |
49 |
272-3837
|
Skirt strap |
$73.78
|
1 |
|
usually ships 1-5 days |
50 |
272-3838
|
Skirt bracket |
$67.56
|
1 |
|
usually ships 1-5 days |
51 |
272-3520
|
Thumb nut |
$24.09
|
3 |
|
usually ships 13-18 days |
52 |
272-3519
|
Skirt retainer (screw) |
$34.23
|
3 |
|
usually ships 13-18 days |