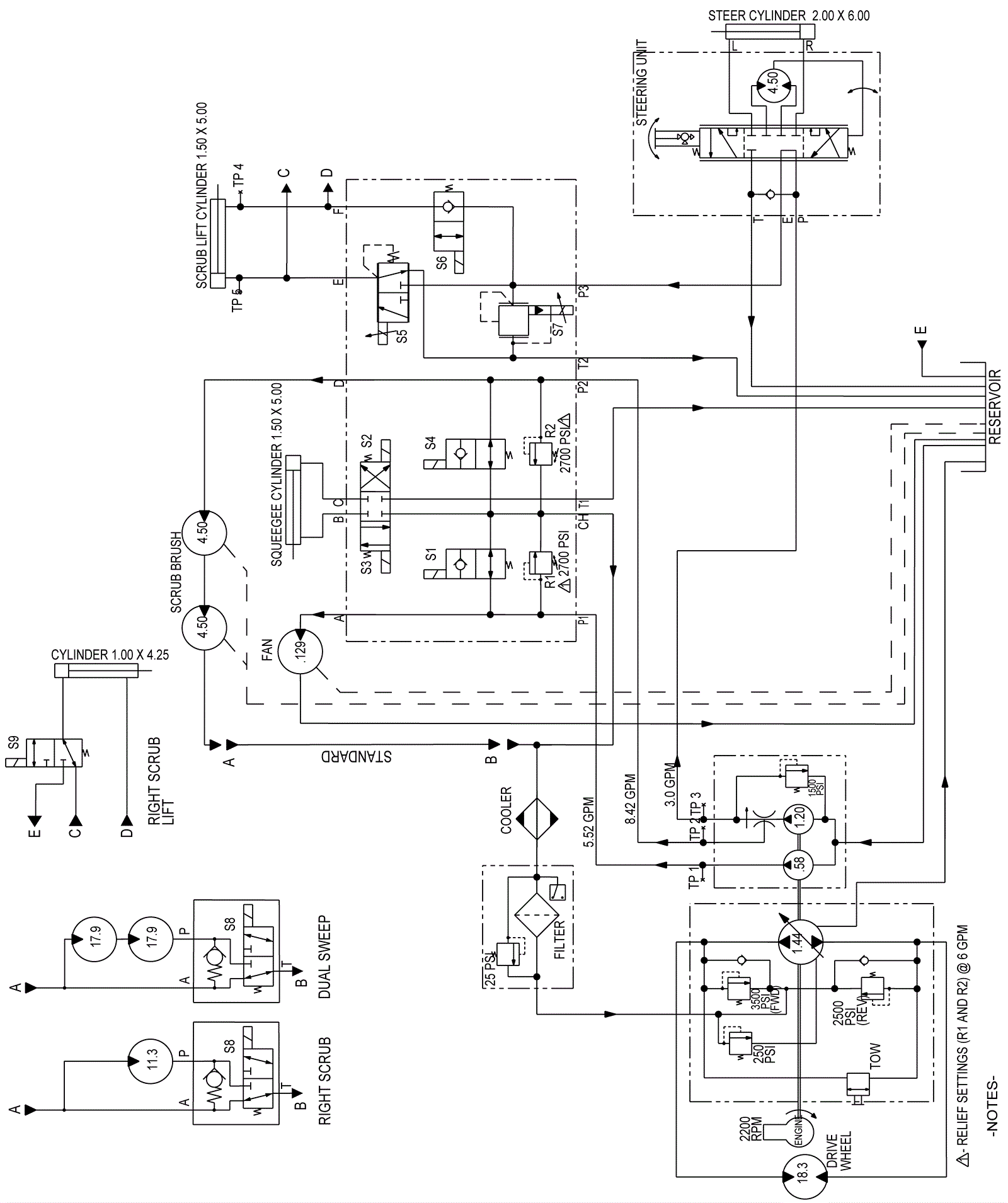
Hydraulic Schematic Assembly
Click to enlarge