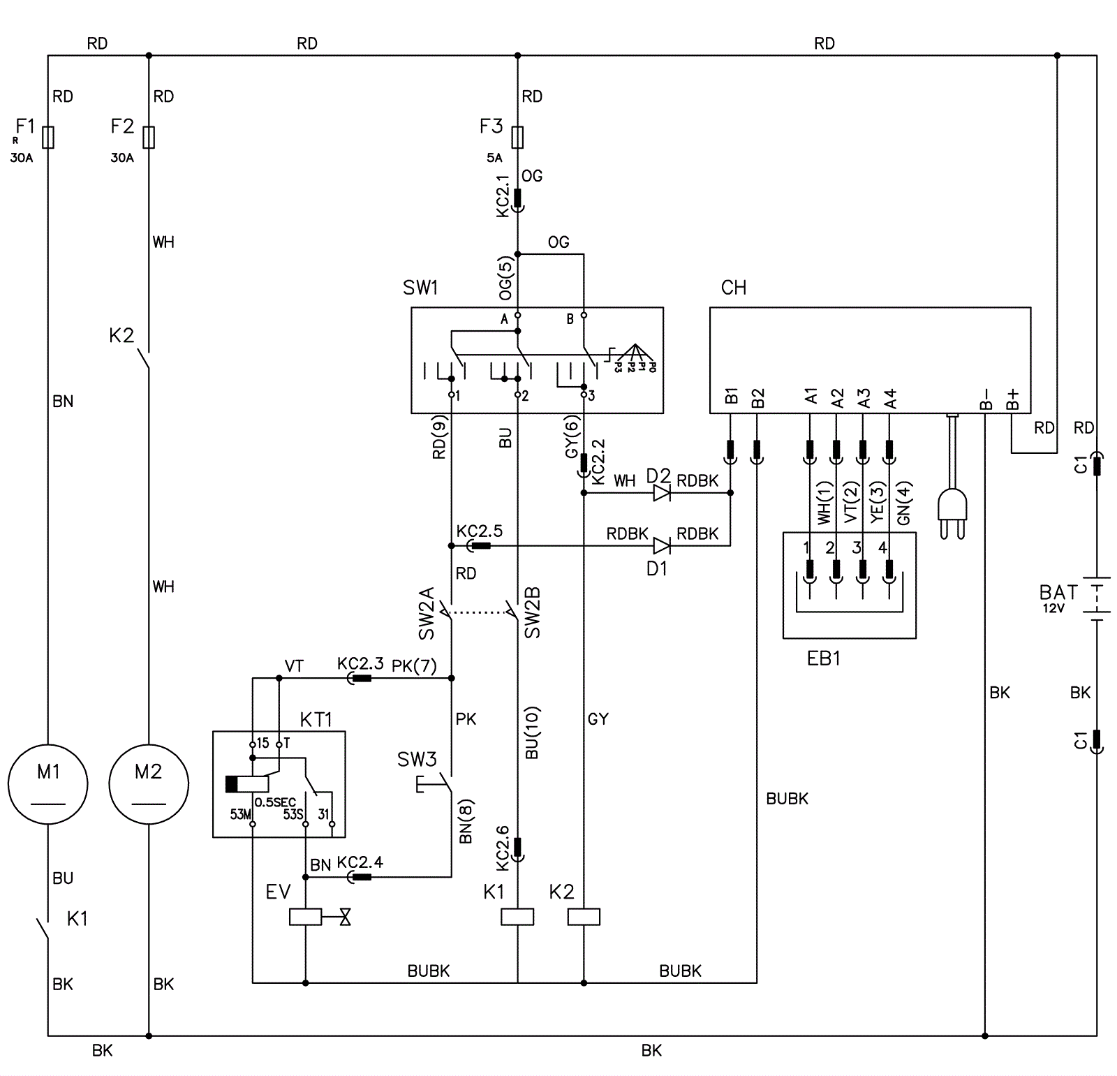
| # | Part | Description | Price | Req | Notes | Availability |
BAT |
162-0121
|
12V 87Ah Discover battery |
$495.00
|
1 |
|
usually ships 24-25 days |
CH |
572-3824
|
CHARGER BATT O/B 12V 12A 100-2 |
$416.91
|
1 |
|
usually ships 13-18 days |
D1 |
N/A
|
Not available |
Call for price
|
1 |
(diode) |
usually ships 3-26 days |
D2 |
N/A
|
Not available |
Call for price
|
1 |
(diode) |
usually ships 3-26 days |
EB1 |
272-7562
|
LED Board |
$12.00
|
1 |
|
ships same day |
EV |
272-7542
|
Solenoid valve |
$184.81
|
1 |
(before SN 3510145009117) |
usually ships 13-18 days |
EV |
572-3374
|
SOLENOID VALVE 12V EV |
$138.15
|
1 |
(after SN 3510145009118) |
usually ships 13-18 days |
F1 |
272-7540
|
35amp circuit breaker assembly |
$208.89
|
1 |
|
usually ships 13-18 days |
F2 |
272-7144
|
30amp fuse |
$12.89
|
1 |
|
usually ships 13-18 days |
F3 |
181-0962
|
5 amp fuse |
$5.50
|
1 |
|
usually ships 13-18 days |
K1 |
272-9517
|
12V 70amp relay |
$40.44
|
1 |
|
usually ships 13-18 days |
K2 |
272-7539
|
12V relay |
$34.23
|
1 |
|
usually ships 13-18 days |
KT1 |
272-7551
|
Cyclical timer |
$72.26
|
1 |
|
usually ships 13-18 days |
M1 |
272-7577
|
12V gear motor |
$1,090.84
|
1 |
|
usually ships 13-18 days |
M2 |
272-7541
|
12V vacuum motor |
$297.34
|
1 |
|
usually ships 13-18 days |
SW1 |
272-8648
|
Rotative switch |
$20.82
|
1 |
|
usually ships 13-18 days |
SW2 |
272-8640
|
Switch |
$32.15
|
1 |
|
ships same day |