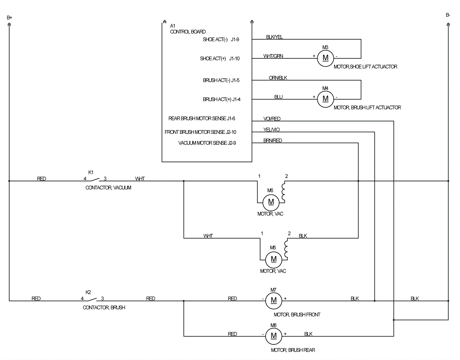
Wiring Diagram - 2
Click to enlarge