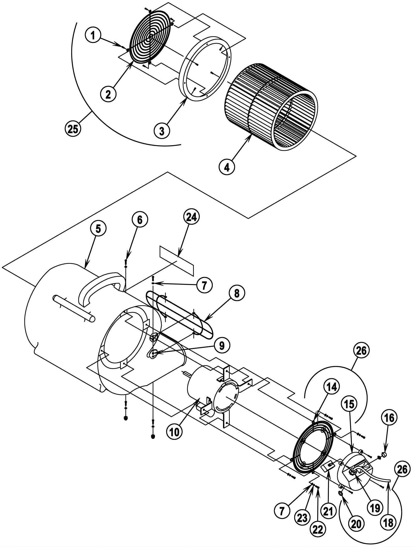
| # | Part | Description | Price | Req | Notes | Availability |
1 |
999-0916
|
Screw 8-32 x 1/2 pan head phillips stainless steel |
$0.99
|
8 |
|
ships same day |
2 |
N/A
|
Not available |
Call for price
|
1 |
(fan screen) |
usually ships 3-26 days |
3 |
N/A
|
Not available |
Call for price
|
1 |
(retaining ring) |
usually ships 3-26 days |
4 |
N/A
|
Not available |
Call for price
|
1 |
(fan) |
usually ships 3-26 days |
5 |
N/A
|
Not available |
Call for price
|
1 |
(dryer housing) |
usually ships 3-26 days |
6 |
999-1099
|
Bolt 1/4-20 x 3/4 hex head stainless steel |
$0.99
|
4 |
|
ships same day |
7 |
999-0123
|
Washer 1/4 SAE flat zinc plated |
$0.99
|
8 |
|
ships same day |
8 |
272-1796
|
Front screen (OBSOLETE) |
$67.87
|
1 |
|
usually ships 1-5 days |
9 |
999-0842
|
Nut 1/2-20 nylon insert lock zinc plated |
$1.40
|
4 |
|
ships same day |
10 |
272-1797
|
115V motor |
$379.50
|
1 |
|
usually ships 1-5 days |
14 |
N/A
|
Not available |
Call for price
|
1 |
(motor screen) |
usually ships 3-26 days |
15 |
N/A
|
Not available |
Call for price
|
1 |
(housing controls) |
usually ships 3-26 days |
16 |
272-1798
|
Rotary switch knob (OBSOLETE) |
$34.96
|
1 |
|
usually ships 13-18 days |
18a |
N/A
|
Not available |
Call for price
|
1 |
(OEM) (power cord) |
usually ships 3-26 days |
18b |
991-5005
|
14/3 replacement power cord 50 foot (yellow) |
$108.51
|
1 |
(NON-OEM) (does not include strain relief) |
ships same day |
18c |
991-5001
|
14/3 extension cord 50 foot (yellow) |
$103.23
|
1 |
(NON-OEM) |
ships same day |
19 |
N/A
|
Not available |
Call for price
|
1 |
(cord restraint) |
usually ships 3-26 days |
20 |
N/A
|
Not available |
Call for price
|
1 |
(nut 1/2 conduit lock) |
usually ships 3-26 days |
21 |
272-1803
|
Rotary switch (OBSOLETE) |
$119.35
|
1 |
|
usually ships 13-18 days |
22 |
999-0830
|
Screw 1/4-20 x 1 hex head plain finish |
$0.99
|
4 |
|
ships same day |
23 |
999-0238
|
Washer 1/4 internal star lock zinc plated |
$0.99
|
4 |
|
ships same day |
24 |
172-5458
|
Hydrodry decal (OBSOLETE) |
$10.73
|
1 |
|
usually ships 1-5 days |
25 |
272-1805
|
Screen and ring assembly (OBSOLETE) |
$67.08
|
1 |
(includes 1-3) |
usually ships 1-5 days |
26 |
N/A
|
Not available |
Call for price
|
1 |
(motor screen and controls housing) (includes 14-15, 18-20) |
usually ships 3-26 days |