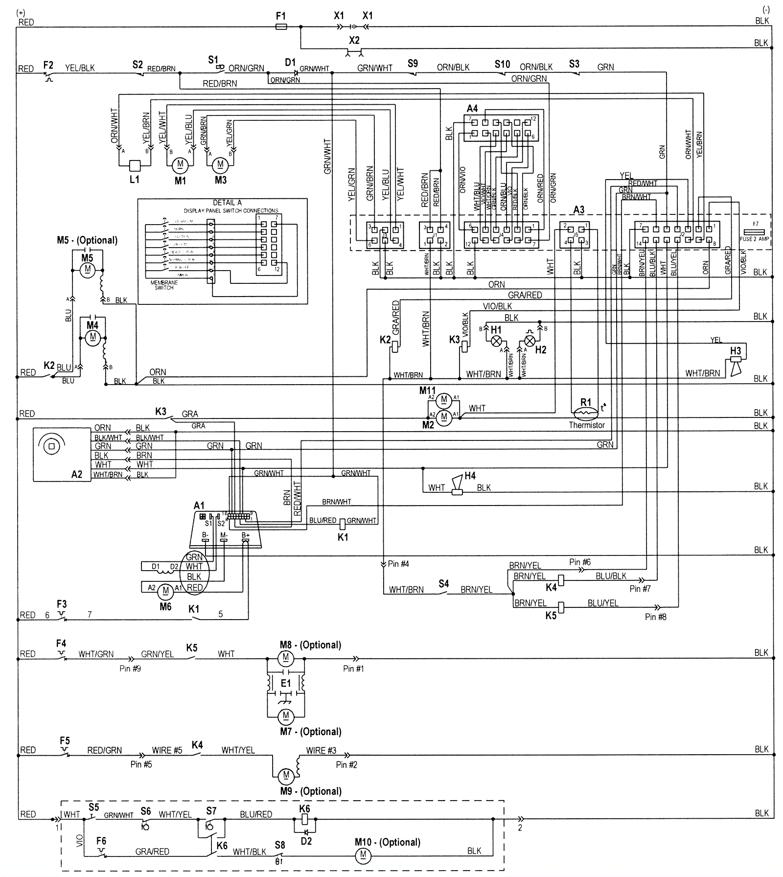
Wiring Diagram - 1
Click to enlarge