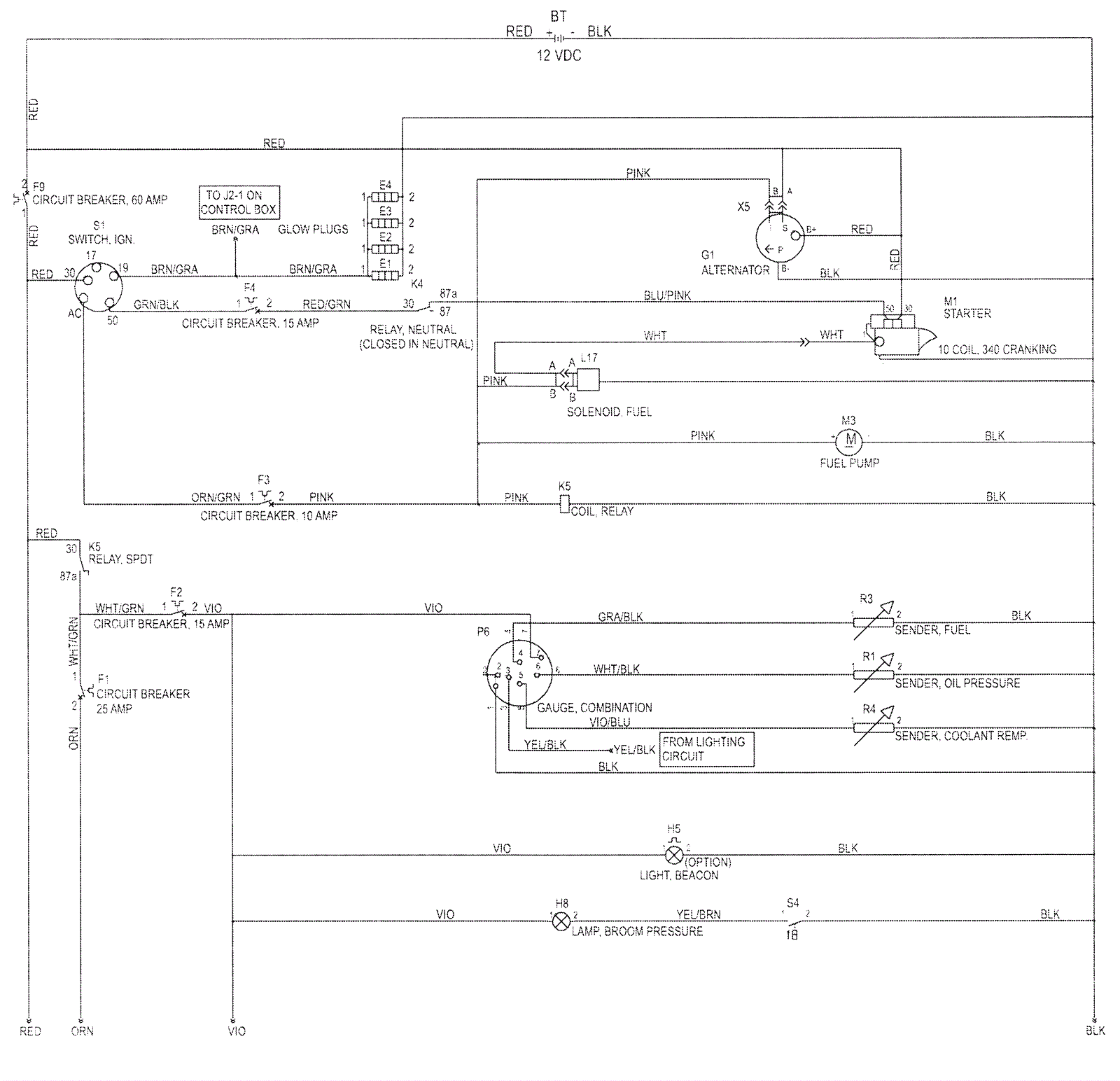
Diesel Wiring Diagram 1
Click to enlarge