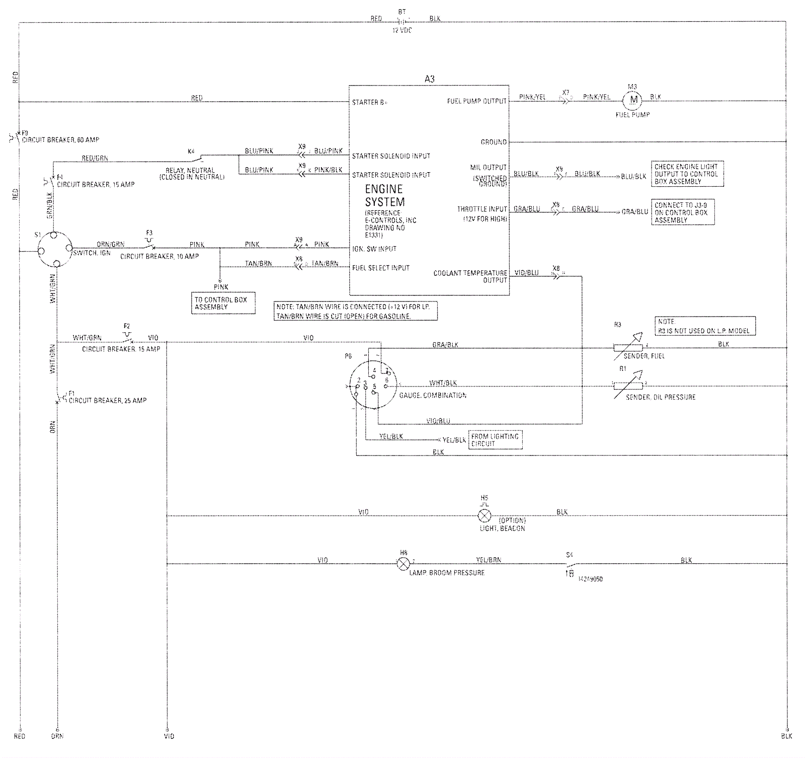
Petroleum/LPG Wiring Diagram 1
Click to enlarge