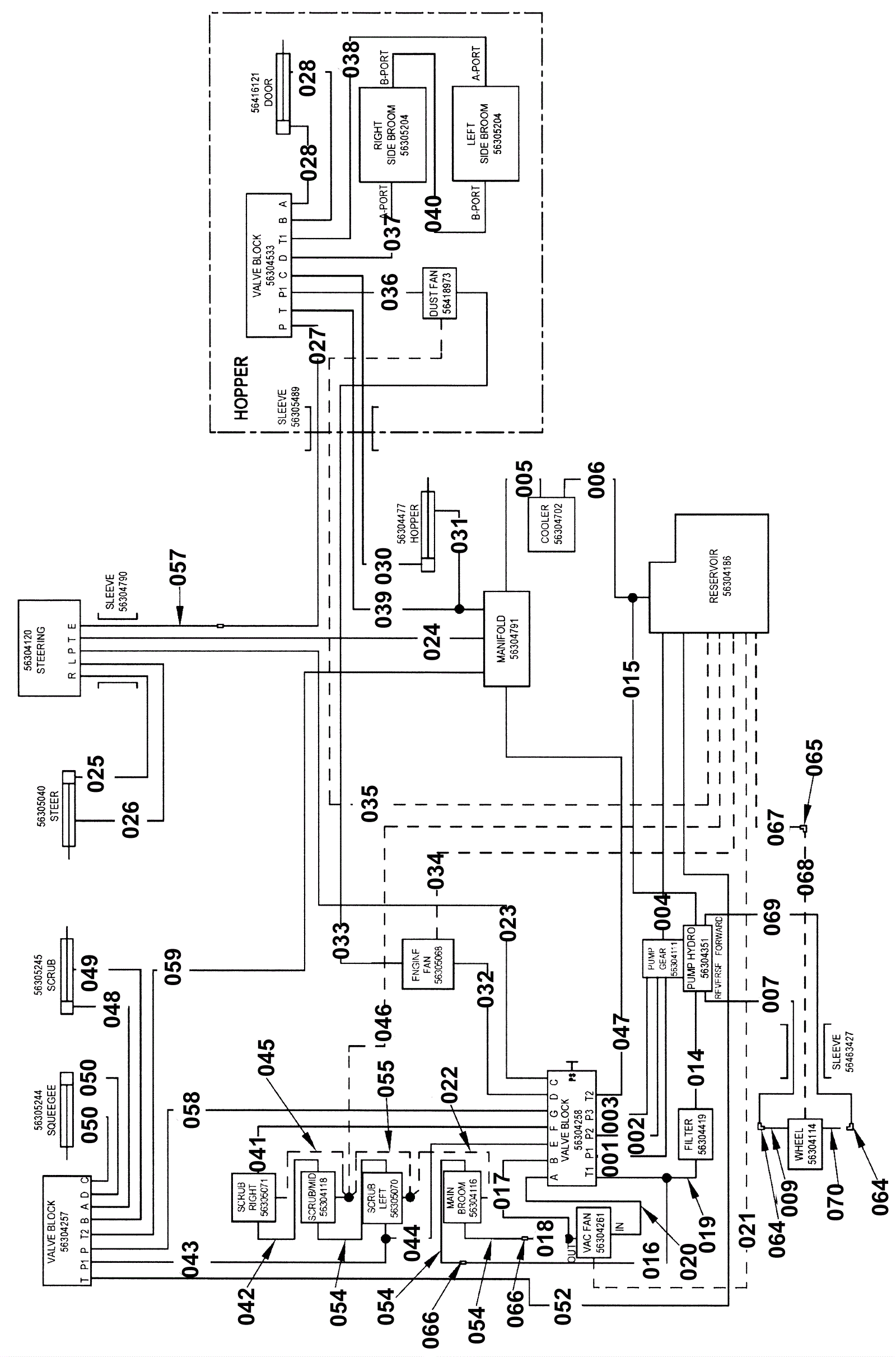
Hydraulic Assembly 48 Inch After SN 1873835
Click to enlarge