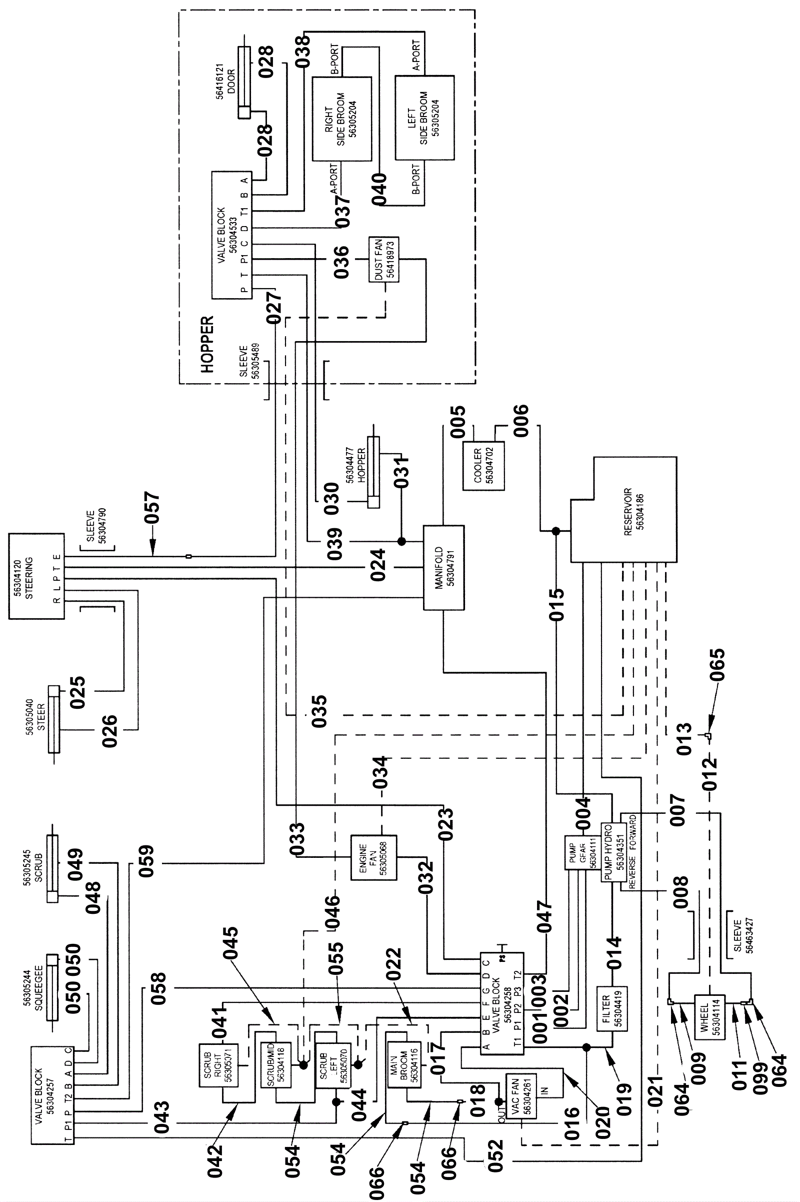
Hydraulic Assembly 48 Inch Before SN 1873835
Click to enlarge