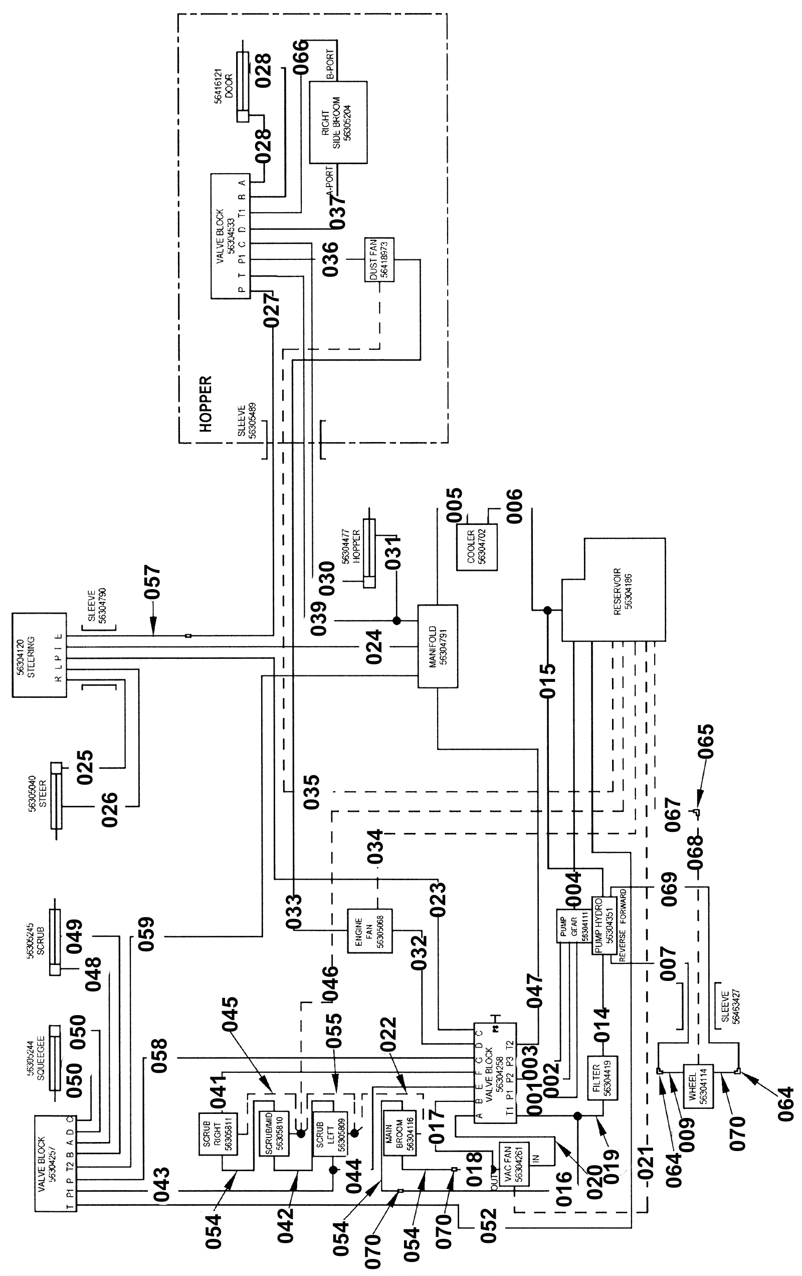
Hydraulic Assembly 43 Inch After SN 1873835
Click to enlarge