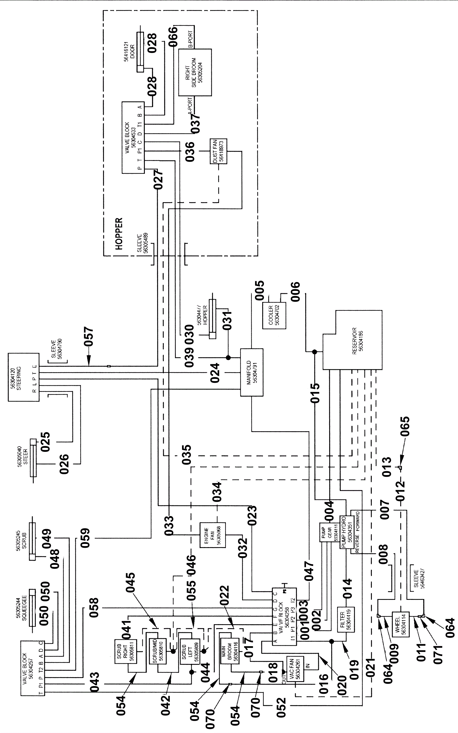
Hydraulic Assembly 43 Inch Before SN 1873835
Click to enlarge