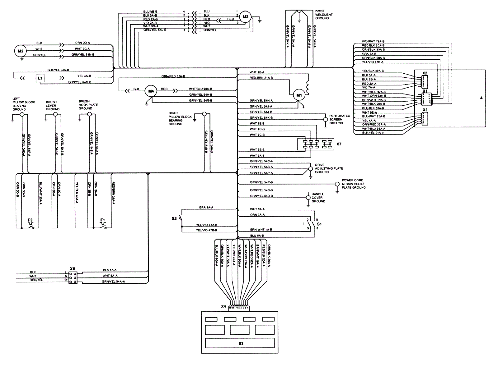
Electrical Schematic After SN 1023167
Click to enlarge