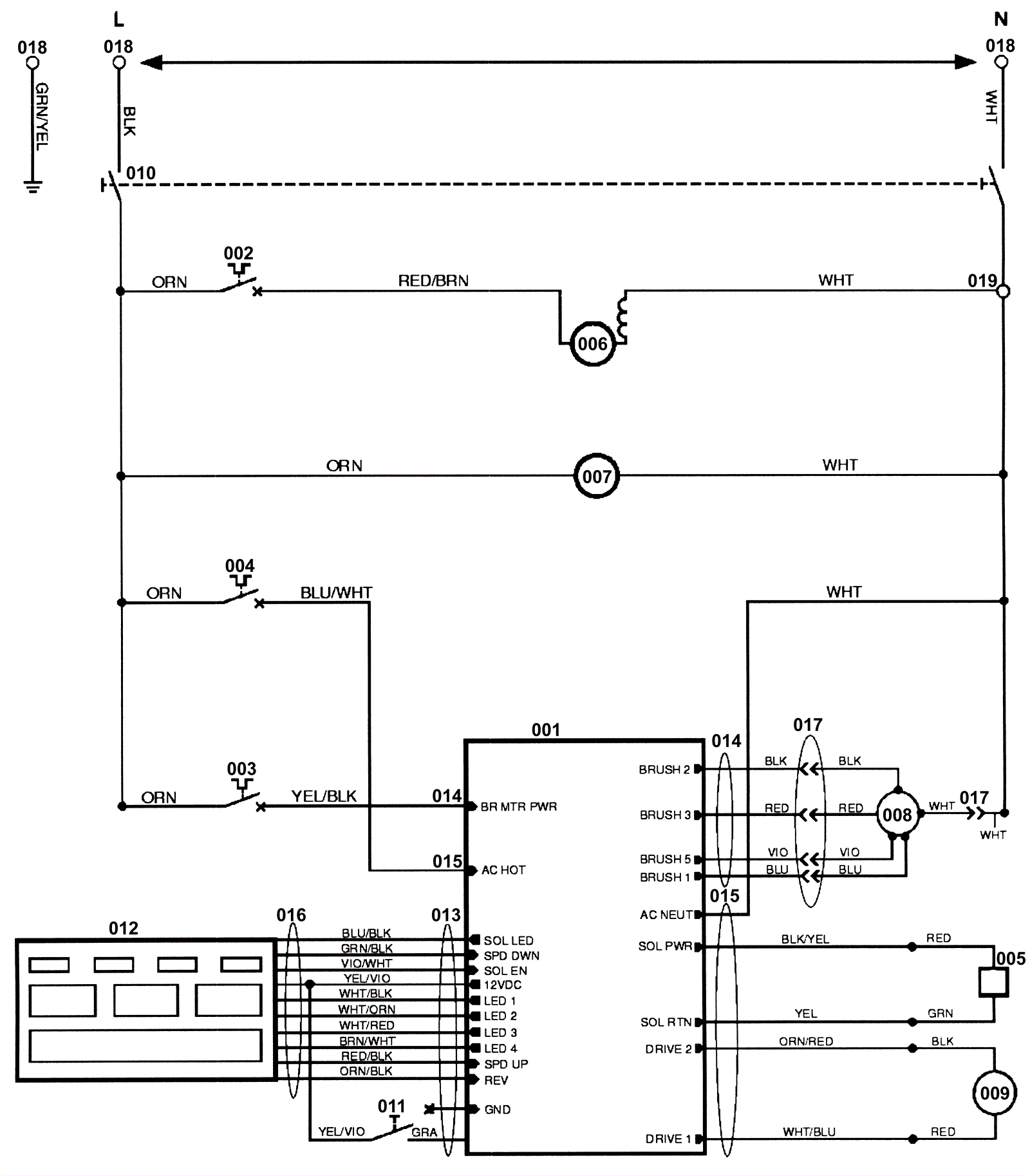
Ladder Diagram - After SN 1023167
Click to enlarge