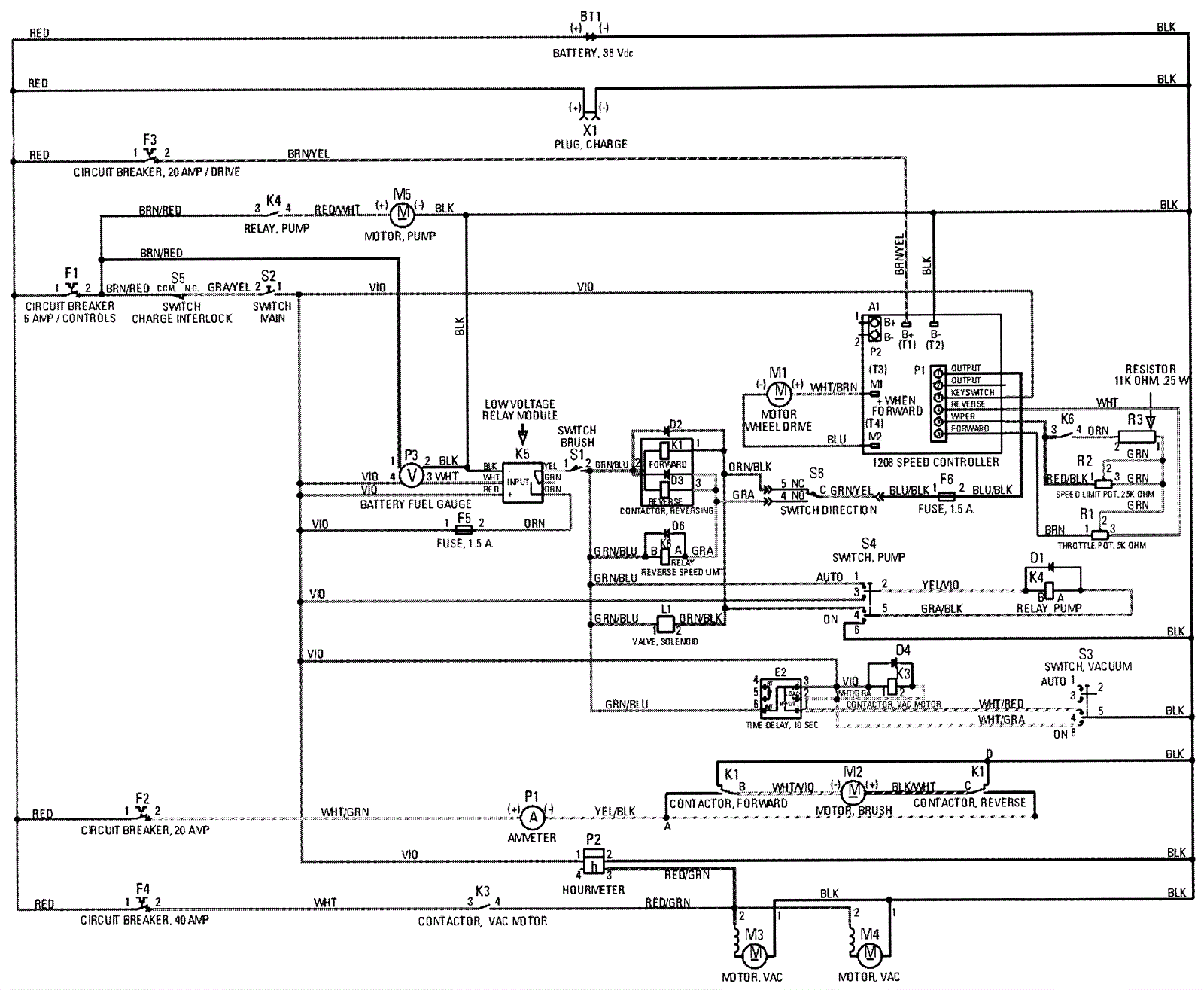
| # | Part | Description | Price | Req | Notes | Availability |
A1 |
181-0187
|
DC control (OBSOLETE) |
$1,533.40
|
1 |
|
usually ships 1-5 days |
E2 |
172-9594
|
Vacuum motor time delay (OBSOLETE) |
$315.51
|
1 |
|
usually ships 1-5 days |
F1 |
272-1692
|
Circuit breaker |
$96.79
|
1 |
|
usually ships 13-18 days |
F2 |
172-0227
|
20amp circuit breaker (OBSOLETE) |
$69.96
|
1 |
|
usually ships 13-18 days |
F3 |
172-0227
|
20amp circuit breaker (OBSOLETE) |
$69.96
|
1 |
|
usually ships 13-18 days |
F4 |
172-9823
|
40 Amp circuit breaker |
$305.20
|
1 |
|
usually ships 13-18 days |
K1 |
172-3253
|
Reversing contactor |
$924.87
|
1 |
|
usually ships 1-5 days |
K3 |
172-2805
|
36V contactor |
$104.81
|
1 |
|
ships same day |
K4 |
172-1779
|
36V relay SPST |
$90.50
|
1 |
|
usually ships 13-18 days |
K5 |
172-3209
|
Relay assembly (OBSOLETE) |
$229.05
|
1 |
|
usually ships 1-5 days |
K6 |
172-1779
|
36V relay SPST |
$90.50
|
1 |
|
usually ships 13-18 days |
L1 |
172-3232
|
Solenoid valve 36volt DC |
$504.23
|
1 |
|
usually ships 13-18 days |
M1 |
172-1785
|
36V 1/2HP drive motor |
$1,590.05
|
1 |
|
usually ships 1-5 days |
M1a |
164-0325
|
Carbon brush with lead and terminal (sold individually) |
$20.38
|
4 |
|
usually ships 19-25 days |
M2 |
172-3189
|
Motor 36volt DC 1/2hp 1800rpm |
$1,001.00
|
1 |
|
usually ships 1-5 days |
M2a |
172-3190
|
Brush replacement kit (OBSOLETE) |
$68.20
|
1 |
|
usually ships 13-18 days |
M3 |
172-3260
|
Vac motor 36volt DC |
$305.68
|
1 |
|
usually ships 13-18 days |
M3a |
991-1221
|
Carbon brush without plastic cover (pkg of 2) |
$15.95
|
1 |
|
usually ships 10-13 days |
M4 |
172-3260
|
Vac motor 36volt DC |
$305.68
|
1 |
|
usually ships 13-18 days |
M5 |
172-1855
|
36V pump |
$914.51
|
1 |
|
usually ships 13-18 days |
N/S |
172-3224
|
Wiring harness (OBSOLETE) |
$958.42
|
1 |
|
usually ships 1-5 days |
N/S |
272-5287
|
Connector assembly with gray charger plug |
$246.26
|
1 |
|
usually ships 1-5 days |
P1 |
172-3206
|
Ammeter DC |
$45.20
|
1 |
|
usually ships 1-5 days |
P2 |
172-2162
|
Hour meter |
$225.10
|
1 |
|
usually ships 13-18 days |
P3 |
172-9568
|
Battery fuel gauge |
$203.30
|
1 |
|
usually ships 1-5 days |
R1 |
172-2039
|
5K potentiometer |
$66.03
|
1 |
|
ships same day |
R2 |
991-9023
|
25K Potentiometer |
$23.14
|
1 |
|
ships same day |
S1 |
172-0217
|
Waterproof switch |
$305.09
|
1 |
|
usually ships 1-5 days |
S2 |
172-6004
|
Toggle switch |
$48.17
|
1 |
|
usually ships 13-18 days |
S3 |
172-3207
|
DPDT Rocker switch (OBSOLETE) |
$55.88
|
1 |
|
usually ships 1-5 days |
S4 |
172-3207
|
DPDT Rocker switch (OBSOLETE) |
$55.88
|
1 |
|
usually ships 1-5 days |
S5 |
172-0235
|
Switch assembly (OBSOLETE) |
$183.90
|
1 |
|
usually ships 13-18 days |
S6 |
172-8257
|
Snap switch |
$58.41
|
1 |
|
usually ships 13-18 days |