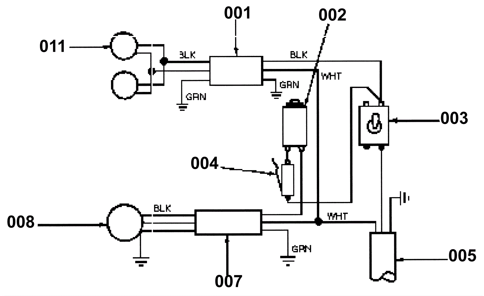
Wiring Diagram 115V
Click to enlarge