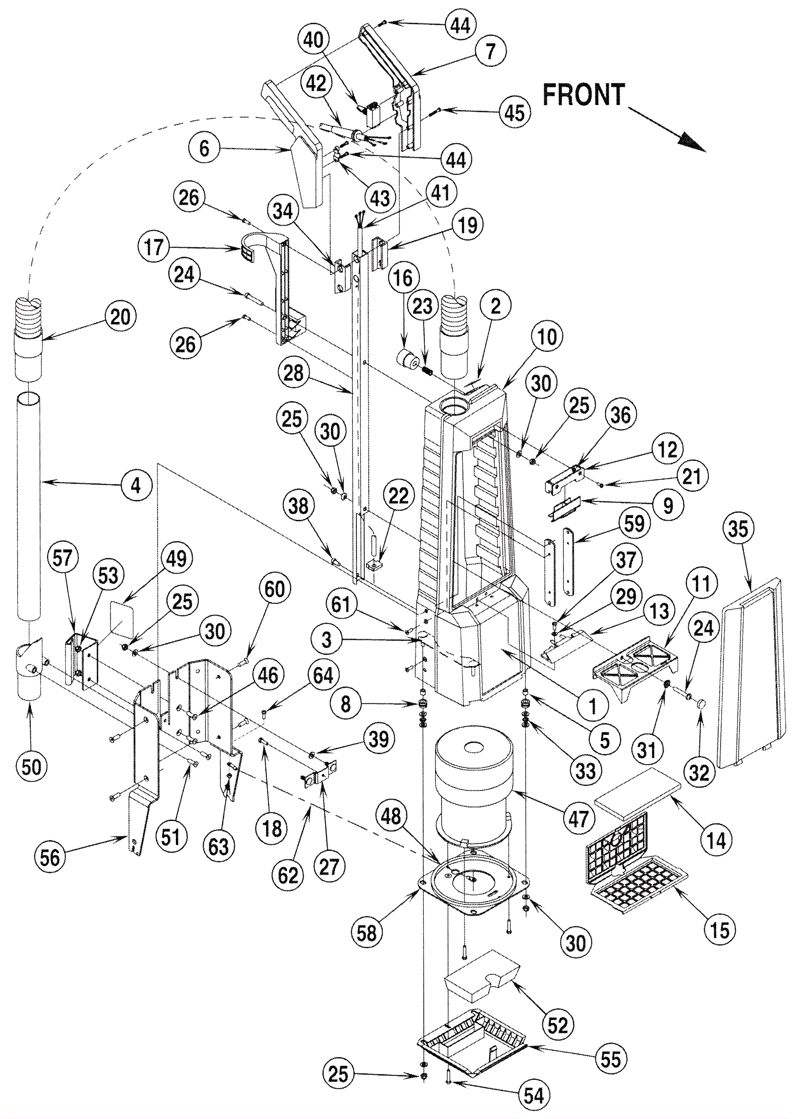
| # | Part | Description | Price | Req | Notes | Availability |
000 |
272-7035
|
Upper housing assembly (OBSOLETE) |
$1,338.81
|
1 |
|
usually ships 1-5 days |
001 |
172-5475
|
Carpetwin 16 decal (OBSOLETE) |
$12.54
|
1 |
|
usually ships 1-5 days |
002 |
172-5064
|
Full bag decal                                            ( |
$24.20
|
1 |
|
usually ships 1-5 days |
003 |
172-6125
|
Strap weldment (OBSOLETE) |
$33.22
|
2 |
|
usually ships 1-5 days |
004 |
172-6119
|
Wand |
$31.64
|
1 |
|
usually ships 1-5 days |
005 |
272-7017
|
Bushing |
$33.66
|
4 |
|
usually ships 1-5 days |
006 |
172-8289
|
Handle, right (OBSOLETE) |
$53.55
|
1 |
|
usually ships 13-18 days |
007 |
172-8290
|
Left handle (OBSOLETE) |
$53.55
|
1 |
|
usually ships 13-18 days |
008 |
172-1228
|
Grommet |
$11.35
|
4 |
|
usually ships 1-5 days |
009 |
272-7018
|
Latch |
$10.23
|
1 |
|
usually ships 1-5 days |
010 |
172-6262
|
Tank replacement kit |
$312.40
|
1 |
|
usually ships 1-5 days |
011 |
172-6153
|
Standoff bag (OBSOLETE) |
$20.46
|
1 |
|
usually ships 1-5 days |
012 |
172-6149
|
Latch housing (OBSOLETE) |
$9.90
|
1 |
|
usually ships 1-5 days |
013 |
172-6110
|
Stop (OBSOLETE) |
$8.47
|
1 |
|
usually ships 1-5 days |
014 |
172-6104
|
Internal filter |
$10.52
|
1 |
|
usually ships 13-18 days |
015 |
172-6105
|
Internal filter housing |
$24.20
|
1 |
|
usually ships 1-5 days |
016 |
172-6097
|
Full bag indicator |
$66.00
|
1 |
|
usually ships 1-5 days |
017 |
272-7019
|
Hose bracket |
$48.85
|
1 |
|
usually ships 1-5 days |
018 |
999-0193
|
Screw 10-24 x 5/8 pan head slotted thread cutting zinc |
$0.99
|
1 |
|
ships same day |
019 |
N/A
|
Not available |
Call for price
|
1 |
(Left hand bracket) |
usually ships 3-26 days |
020 |
172-6000
|
Vacuum hose assembly (OBSOLETE) |
$78.32
|
1 |
|
usually ships 13-18 days |
021 |
181-0673
|
Screw 8 x 3/8 pan head phillips type b |
$10.52
|
2 |
|
usually ships 1-5 days |
022 |
272-7021
|
Square grommet (OBSOLETE) |
$7.70
|
1 |
|
usually ships 1-5 days |
023 |
172-6102
|
Nipple |
$11.69
|
1 |
|
usually ships 1-5 days |
024 |
999-0398
|
Screw 1/4-20 x 1 1/2 pan head phillips zinc plated |
$0.99
|
2 |
|
ships same day |
025 |
999-0152
|
Nut 1/4-20 nylon insert lock zinc plated |
$0.99
|
8 |
|
ships same day |
026 |
999-0545
|
Screw 10-24 x 1/2 pan head phillips self-tapping |
$0.99
|
2 |
|
ships same day |
027 |
272-4022
|
Snubbing washer |
$14.41
|
1 |
|
usually ships 1-5 days |
028 |
272-4023
|
Rear lamp |
$53.61
|
1 |
|
usually ships 1-5 days |
029 |
999-0412
|
Washer #8 SAE flat |
$0.99
|
2 |
|
ships same day |
030 |
999-0123
|
Washer 1/4 SAE flat zinc plated |
$0.99
|
17 |
|
ships same day |
031 |
172-6151
|
Screw base |
$10.52
|
1 |
|
usually ships 1-5 days |
032 |
172-6150
|
Screw cover (OBSOLETE) |
$7.70
|
1 |
|
usually ships 1-5 days |
033 |
999-0181
|
Nut 1/4-20 hex jam plain finish |
$0.99
|
4 |
|
ships same day |
034 |
272-7034
|
Right bracket |
$28.95
|
1 |
|
usually ships 1-5 days |
035 |
172-6106
|
Cover assembly (OBSOLETE) |
$143.50
|
1 |
|
usually ships 1-5 days |
036 |
999-0412
|
Washer #8 SAE flat |
$0.99
|
2 |
|
ships same day |
037 |
999-0267
|
Screw 10-24 x 1/2 pan head phillips zinc |
$0.99
|
2 |
|
ships same day |
038 |
999-1129
|
Screw 1/4-20 x 1/2 pan head phillips thread rolling zinc |
$0.99
|
1 |
|
ships same day |
039 |
172-6117
|
Gasket set |
$24.20
|
2 |
|
usually ships 1-5 days |
040 |
172-1734
|
Toggle switch dpst (OBSOLETE) |
$46.09
|
1 |
|
usually ships 13-18 days |
041 |
272-7025
|
Cord set |
$34.96
|
1 |
|
usually ships 1-5 days |
042 |
272-7026
|
Power cord |
$168.44
|
1 |
|
usually ships 1-5 days |
043 |
272-7027
|
Cord clamp |
$8.03
|
1 |
|
usually ships 1-5 days |
044 |
999-0678
|
Screw 8-18 x 5/8 pan head self-drilling stainless steel |
$0.99
|
3 |
|
ships same day |
045 |
172-4396
|
Screw 8-18 x 1.0 pan phillips plastite |
$11.35
|
6 |
|
usually ships 1-5 days |
046 |
999-0419
|
Screw 1/4-20 x 5/8 flat head slotted zinc plated |
$0.99
|
2 |
|
ships same day |
047 |
272-7028
|
Vacuum motor assembly |
$710.56
|
1 |
|
usually ships 1-5 days |
048 |
172-6117
|
Gasket set |
$24.20
|
1 |
|
usually ships 1-5 days |
049 |
172-5063
|
Warning decal (OBSOLETE) |
$9.13
|
1 |
|
usually ships 13-18 days |
050 |
172-6116
|
Wand holder |
$24.20
|
1 |
|
usually ships 13-18 days |
051 |
172-4396
|
Screw 8-18 x 1.0 pan phillips plastite |
$11.35
|
2 |
|
usually ships 1-5 days |
052 |
172-6114
|
Exhaust filter |
$10.52
|
1 |
|
usually ships 13-18 days |
053 |
999-0152
|
Nut 1/4-20 nylon insert lock zinc plated |
$0.99
|
2 |
|
ships same day |
054 |
172-4372
|
Screw 10-24 x 1 hex industrial lock |
$11.75
|
1 |
|
usually ships 1-5 days |
055 |
172-6113
|
Filter retainer |
$9.90
|
1 |
|
usually ships 1-5 days |
056 |
272-7029
|
Yoke |
$168.42
|
1 |
|
usually ships 13-18 days |
057 |
272-7030
|
Cork hook |
$51.15
|
1 |
|
usually ships 1-5 days |
058 |
172-6282
|
Motor support |
$33.00
|
1 |
|
usually ships 1-5 days |
059 |
272-7031
|
Backing plate |
$33.00
|
2 |
|
usually ships 1-5 days |
060 |
999-0419
|
Screw 1/4-20 x 5/8 flat head slotted zinc plated |
$0.99
|
4 |
|
ships same day |
061 |
172-4624
|
Screw 10-24 x 1/2 flat head phillips thread forming |
$11.35
|
4 |
|
usually ships 1-5 days |
062 |
272-7032
|
Wire ring |
$9.13
|
1 |
|
usually ships 1-5 days |
063 |
999-0211
|
Nut 5/16-18 hex nylon insert lock zinc plated |
$0.99
|
1 |
|
ships same day |
064 |
999-0267
|
Screw 10-24 x 1/2 pan head phillips zinc |
$0.99
|
1 |
|
ships same day |
N/S |
172-6098
|
Paper filter bag (6 pk) |
$17.17
|
1 |
|
usually ships 13-18 days |
N/S |
172-6099
|
Cloth bag (OBSOLETE) |
$55.12
|
1 |
|
usually ships 13-18 days |
N/S |
172-6100
|
Clip for cloth bag (OBSOLETE) |
$33.00
|
1 |
|
usually ships 13-18 days |
N/S |
172-6101
|
Bio-bag (pkg of 6) |
$28.37
|
1 |
|
usually ships 1-5 days |
N/S |
172-6107
|
Cover (OBSOLETE) |
$64.79
|
1 |
|
usually ships 1-5 days |
N/S |
172-6109
|
Gasket (OBSOLETE) |
$16.20
|
1 |
|
usually ships 1-5 days |
N/S |
272-7024
|
Carpetwin decal (OBSOLETE) |
$14.85
|
1 |
|
usually ships 1-5 days |