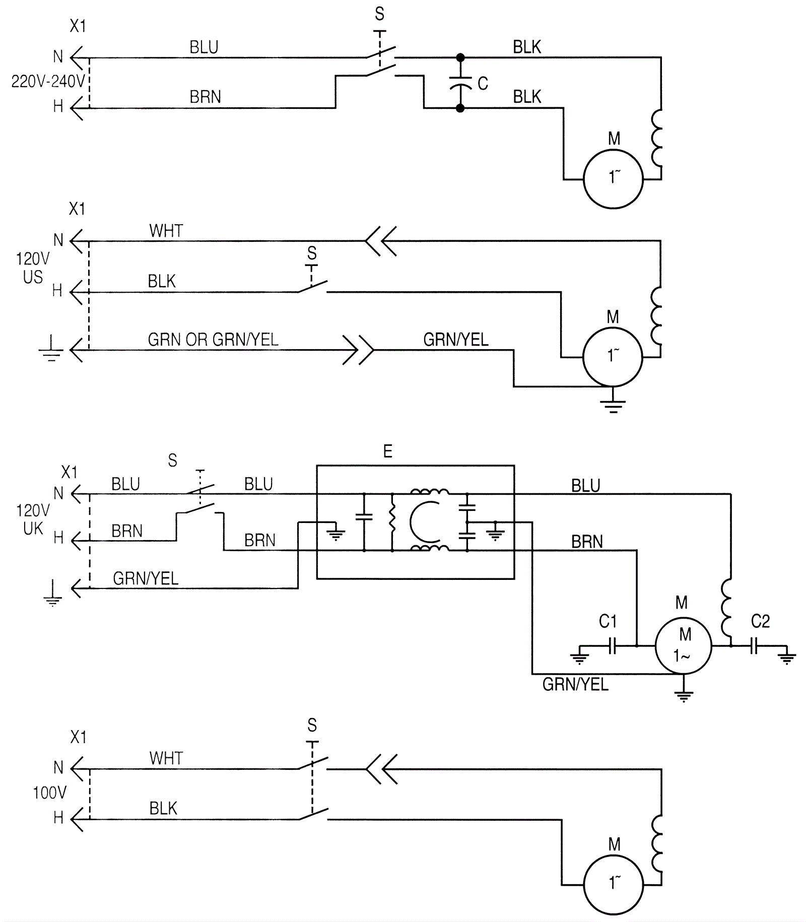
GW 1030AS
Wiring Diagram
Click to enlarge
#
Part
Description
Price
Req
Notes
Availability
01
272-5087
Rocker DPST switch
$72.26
1
usually ships 13-18 days
02
272-5248
Motor 120V Vacuum
$312.82
1
usually ships 13-18 days