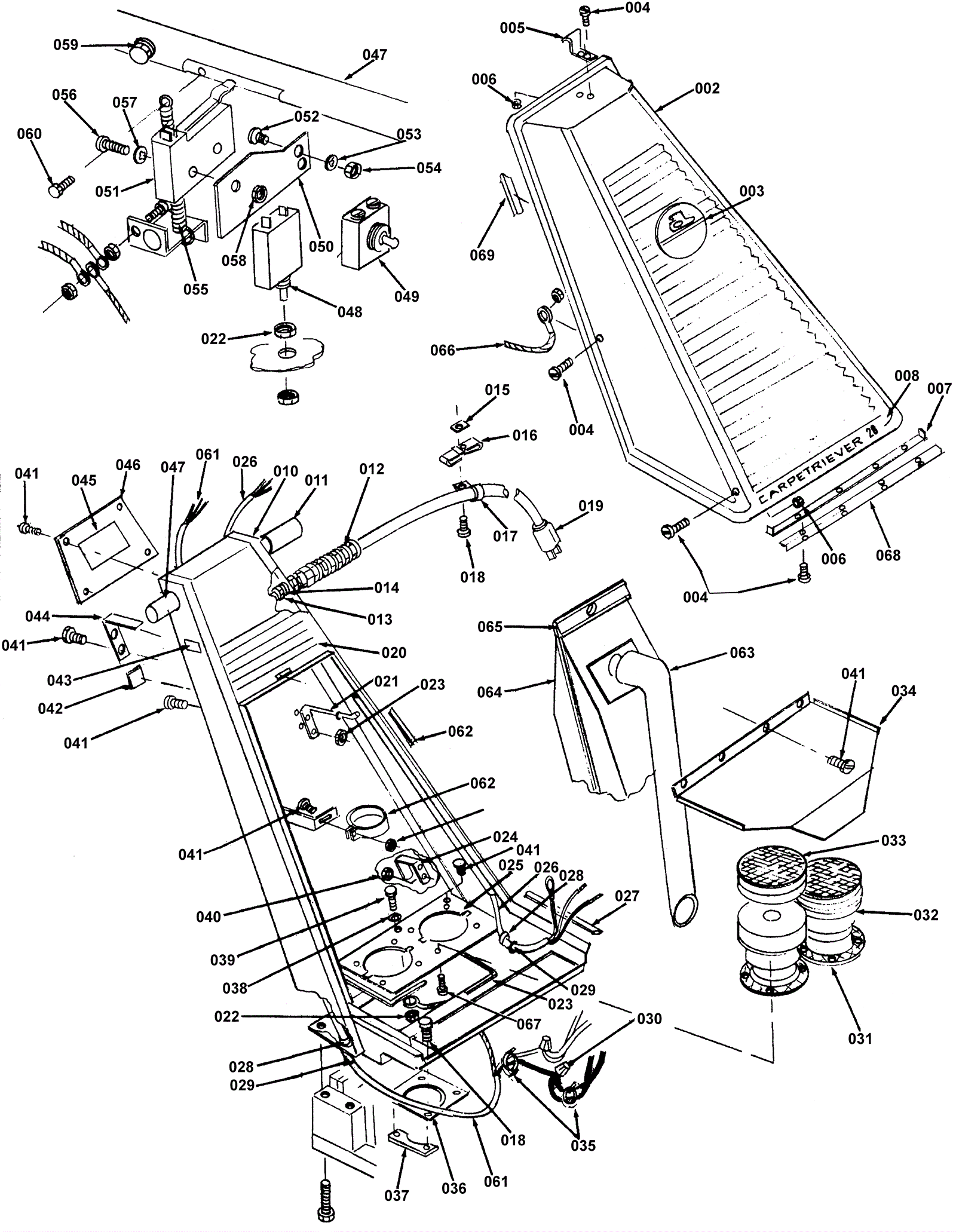
CARPETRIEVER 280A
Upper Body Assembly
Click to enlarge
#
Part
Description
Price
Req
Notes
Availability
032b
172-6012
Carbon brush (pkg of 2)
$17.74
1
usually ships 13-18 days