| # | Part | Description | Price | Req | Notes | Availability |
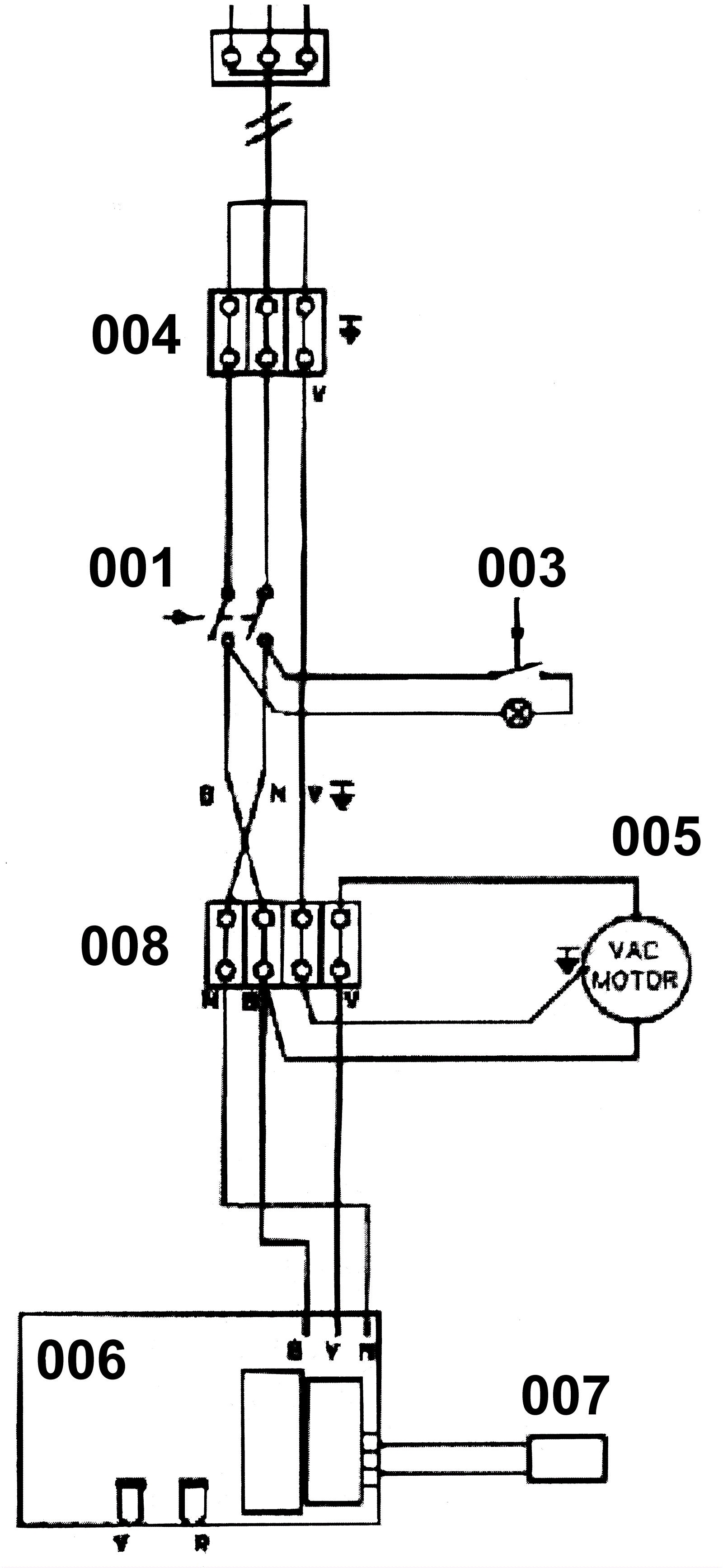
001 |
172-5152
|
Main switch (OBSOLETE) |
$13.22
|
1 |
|
usually ships 13-18 days |
003 |
172-5150
|
Vacuum sensor with light (OBSOLETE) |
$34.87
|
1 |
|
usually ships 1-5 days |
004 |
203-0013
|
Terminal block |
$14.48
|
1 |
|
usually ships 11-14 days |
005 |
172-1850
|
Vacuum motor with pulley 120V |
$231.04
|
1 |
|
usually ships 1-5 days |
006a |
172-1475
|
3 prong circuit board 120V |
$112.17
|
1 |
|
usually ships 1-5 days |
007 |
172-5307
|
Speed sensor (OBSOLETE) |
$17.71
|
1 |
|
usually ships 1-5 days |
008 |
172-7980
|
Terminal block 4 poles (OBSOLETE) |
$7.48
|
1 |
|
usually ships 1-5 days |