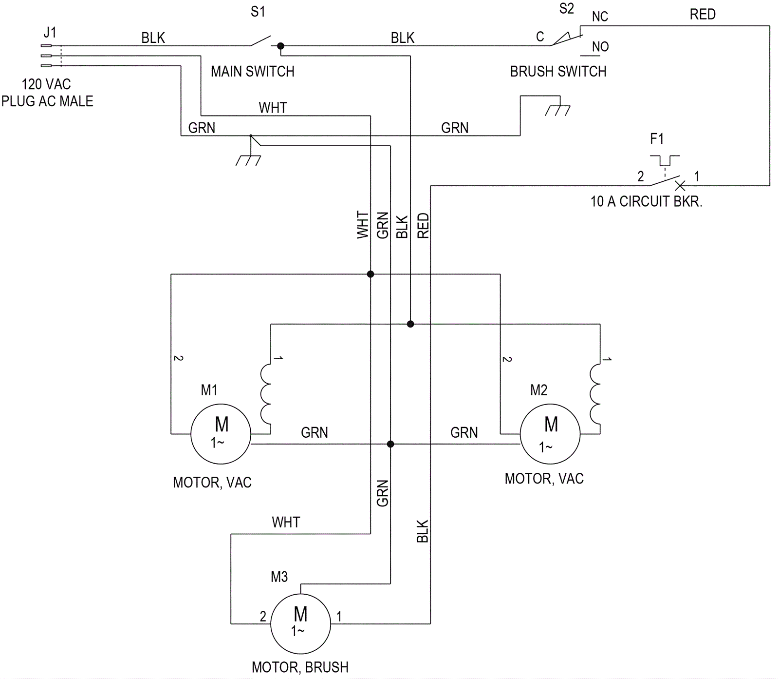
Wiring Diagram 120V
Click to enlarge