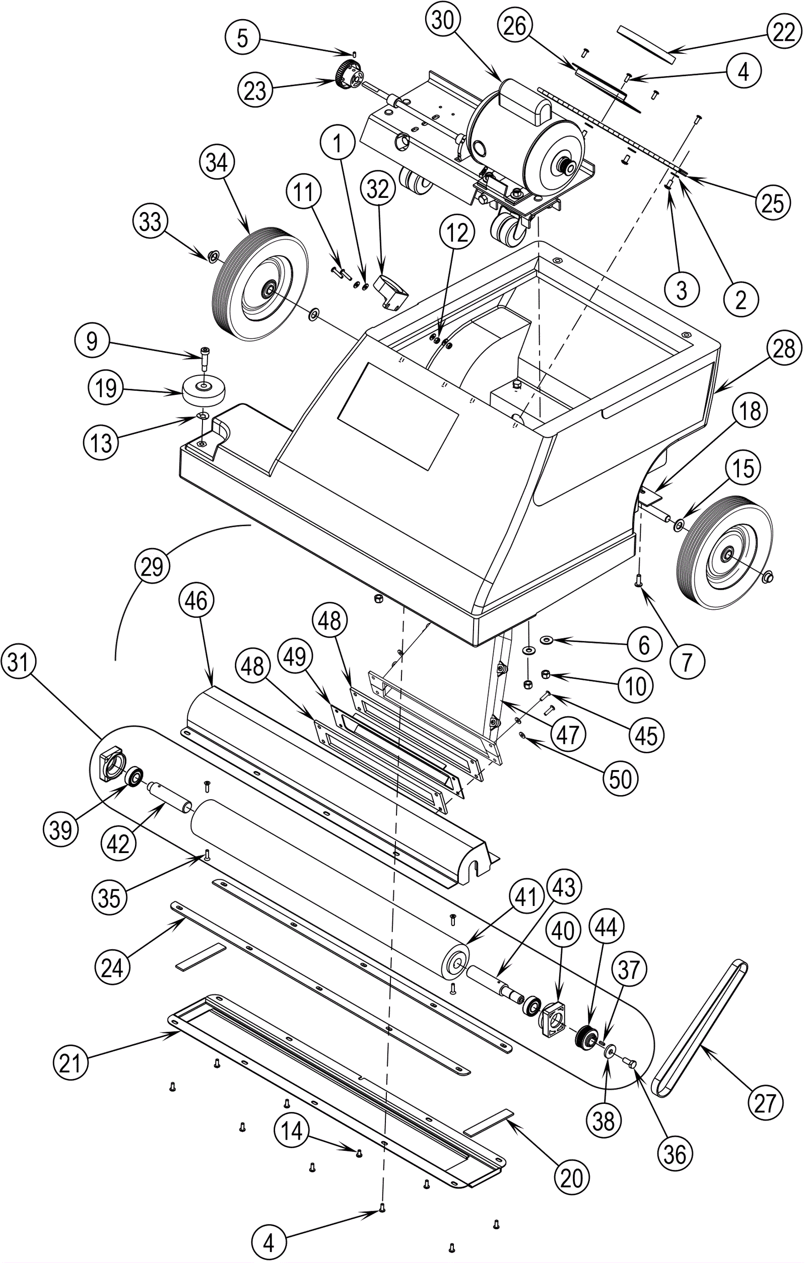
| # | Part | Description | Price | Req | Notes | Availability |
1 |
999-1862
|
Washer #10 flat SAE stainless steel |
$0.99
|
4 |
|
ships same day |
2 |
999-0123
|
Washer 1/4 SAE flat zinc plated |
$0.99
|
4 |
|
ships same day |
3 |
999-0522
|
Screw 1/4-20 x 1/2 pan head phillips stainless steel |
$1.03
|
4 |
|
ships same day |
4 |
999-0371
|
Screw 10-32 x 1/2 pan head phillips zinc plated |
$0.99
|
13 |
|
ships same day |
5 |
999-1121
|
Screw 10-24 x 3/8 set cup point socket black oxide |
$0.99
|
1 |
|
ships same day |
6 |
999-0024
|
Washer 5/16 flat stainless steel |
$1.34
|
4 |
|
ships same day |
7 |
999-0567
|
Screw 1/4-20 x 5/8 pan head phillips stainless steel |
$0.99
|
2 |
|
ships same day |
9 |
999-1256
|
Screw 5/16-18 x 3/8 x 1 socket head shoulder |
$4.84
|
1 |
|
ships same day |
10 |
999-0211
|
Nut 5/16-18 hex nylon insert lock zinc plated |
$0.99
|
4 |
|
ships same day |
11 |
999-0520
|
Screw 10-24 x 1 pan head phillips stainless steel |
$0.99
|
2 |
|
ships same day |
12 |
999-0442
|
Nut 10-24 nylon insert lock stainless steel |
$1.76
|
2 |
|
ships same day |
13 |
270-0174
|
Washer 29/64 x 47/64 bowed |
$12.31
|
1 |
|
ships same day |
14 |
999-0569
|
Screw 10 x 1/2 pan head phillips sheet metal |
$0.99
|
1 |
|
ships same day |
15 |
172-4548
|
Washer 33/64 x 15/16 x 1/16 flat |
$10.85
|
4 |
|
usually ships 12-18 days |
18 |
181-0316
|
Rear axle weldment |
$100.10
|
1 |
|
usually ships 1-5 days |
19 |
181-0317
|
Wheel |
$37.05
|
1 |
|
usually ships 12-18 days |
20 |
181-0347
|
Foam gasket strip |
$12.31
|
2 |
|
usually ships 12-18 days |
21 |
272-7351
|
28 inch bottom plate |
$98.68
|
1 |
|
usually ships 12-18 days |
22 |
181-0279
|
Foam gasket |
$13.76
|
1 |
|
ships same day |
23 |
172-0078
|
Knob |
$12.31
|
1 |
|
usually ships 12-18 days |
24 |
181-0346
|
Foam gasket |
$12.31
|
2 |
|
usually ships 12-18 days |
25 |
181-0319
|
Butt hinge |
$78.58
|
1 |
|
usually ships 1-5 days |
26 |
181-0320
|
Intake tube bracket |
$21.42
|
1 |
|
usually ships 1-5 days |
27 |
181-0338
|
Poly V belt |
$54.59
|
1 |
|
ships same day |
28 |
272-2861
|
28 inch upright base |
$735.56
|
1 |
|
usually ships 1-5 days |
29 |
181-0321
|
Brush housing assembly |
$1,454.77
|
1 |
(includes 45-50) |
usually ships 12-18 days |
30 |
272-2860
|
120V brush motor assembly |
$1,087.72
|
1 |
|
usually ships 1-5 days |
31 |
181-0670
|
Brush assembly |
$658.46
|
1 |
(includes 35-44) |
usually ships 12-18 days |
32 |
272-2862
|
Tube holder |
$63.07
|
1 |
|
usually ships 12-18 days |
33 |
172-4017
|
1/2 inch push cap |
$10.57
|
2 |
|
usually ships 1-5 days |
34 |
181-0315
|
8 inch wheel |
$46.00
|
2 |
|
ships same day |
35 |
999-0417
|
Screw 10-24 x 3/4 flat head slotted zinc plated |
$0.99
|
4 |
|
ships same day |
36 |
999-1232
|
Screw 5/16-18 x 3/4 hex head stainless steel |
$0.99
|
1 |
|
ships same day |
37 |
181-0339
|
Square keyway |
$12.31
|
1 |
|
usually ships 12-18 days |
38 |
999-0024
|
Washer 5/16 flat stainless steel |
$1.34
|
1 |
|
ships same day |
39 |
181-0340
|
Ball bearing |
$32.69
|
2 |
|
ships same day |
40 |
181-0341
|
Bearing mount |
$12.31
|
2 |
|
ships same day |
41 |
181-0342
|
Cylindrical brush |
$160.86
|
1 |
|
ships same day |
42 |
181-0343
|
Brush shaft |
$95.66
|
1 |
|
usually ships 12-18 days |
43 |
181-0344
|
Brush shaft |
$143.09
|
1 |
|
usually ships 12-18 days |
44 |
181-0345
|
Pulley |
$52.67
|
1 |
|
usually ships 12-18 days |
45 |
999-0705
|
Screw 10-24 x 3/4 pan head phillips stainless steel |
$0.99
|
4 |
|
ships same day |
46 |
181-0323
|
Brush housing weldment |
$406.41
|
1 |
|
usually ships 12-18 days |
47 |
181-0322
|
Intake tube |
$143.09
|
1 |
|
usually ships 12-18 days |
48 |
181-0324
|
Foam gasket |
$13.76
|
2 |
|
usually ships 12-18 days |
49 |
181-0325
|
Steel plate |
$46.00
|
1 |
|
usually ships 1-5 days |
50 |
999-1862
|
Washer #10 flat SAE stainless steel |
$0.99
|
4 |
|
ships same day |