| # | Part | Description | Price | Req | Notes | Availability |
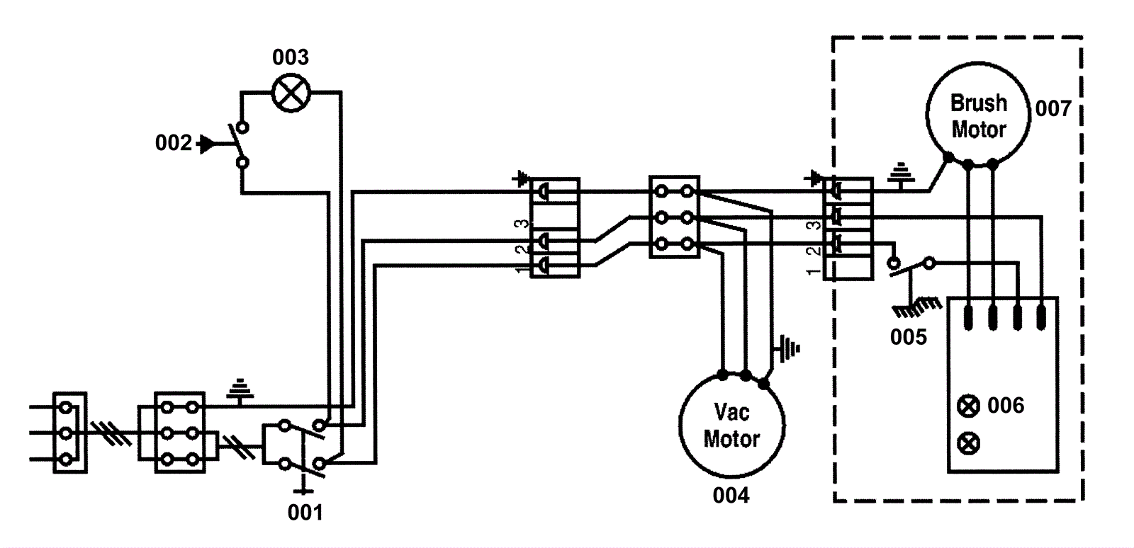
001 |
172-0457
|
Master switch |
$89.65
|
1 |
|
ships same day |
002 |
272-0296
|
7 inch hose |
$30.60
|
1 |
|
usually ships 13-18 days |
003 |
272-0297
|
Indicator light (OBSOLETE) |
$19.60
|
1 |
|
usually ships 1-5 days |
004a |
181-0734
|
120V vacuum motor |
$163.20
|
1 |
|
ships same day |
004b |
272-6296
|
Carbon brush (pkg of 2) |
$29.70
|
1 |
|
usually ships 1-5 days |
005 |
172-1249
|
Brush motor switch |
$13.13
|
1 |
|
ships same day |
006 |
272-2634
|
120V 4 prong circuit board (OBSOLETE) |
$320.64
|
1 |
|
usually ships 13-18 days |
007a |
172-1242
|
120V brush motor |
$313.50
|
1 |
|
usually ships 3-4 days |
007b |
172-1243
|
Carbon brush (pkg of 2) |
$24.09
|
1 |
|
usually ships 13-18 days |