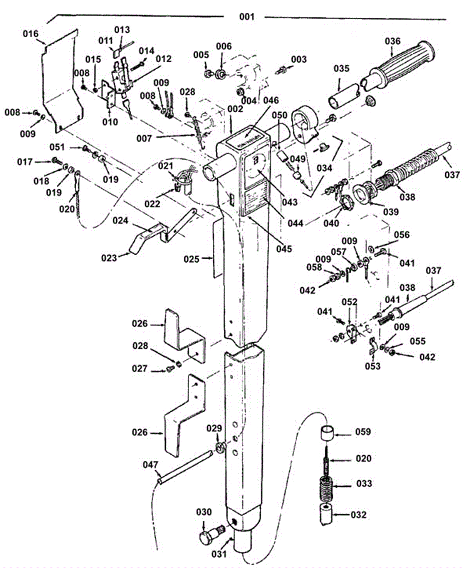
Handle Assembly
Click to enlarge