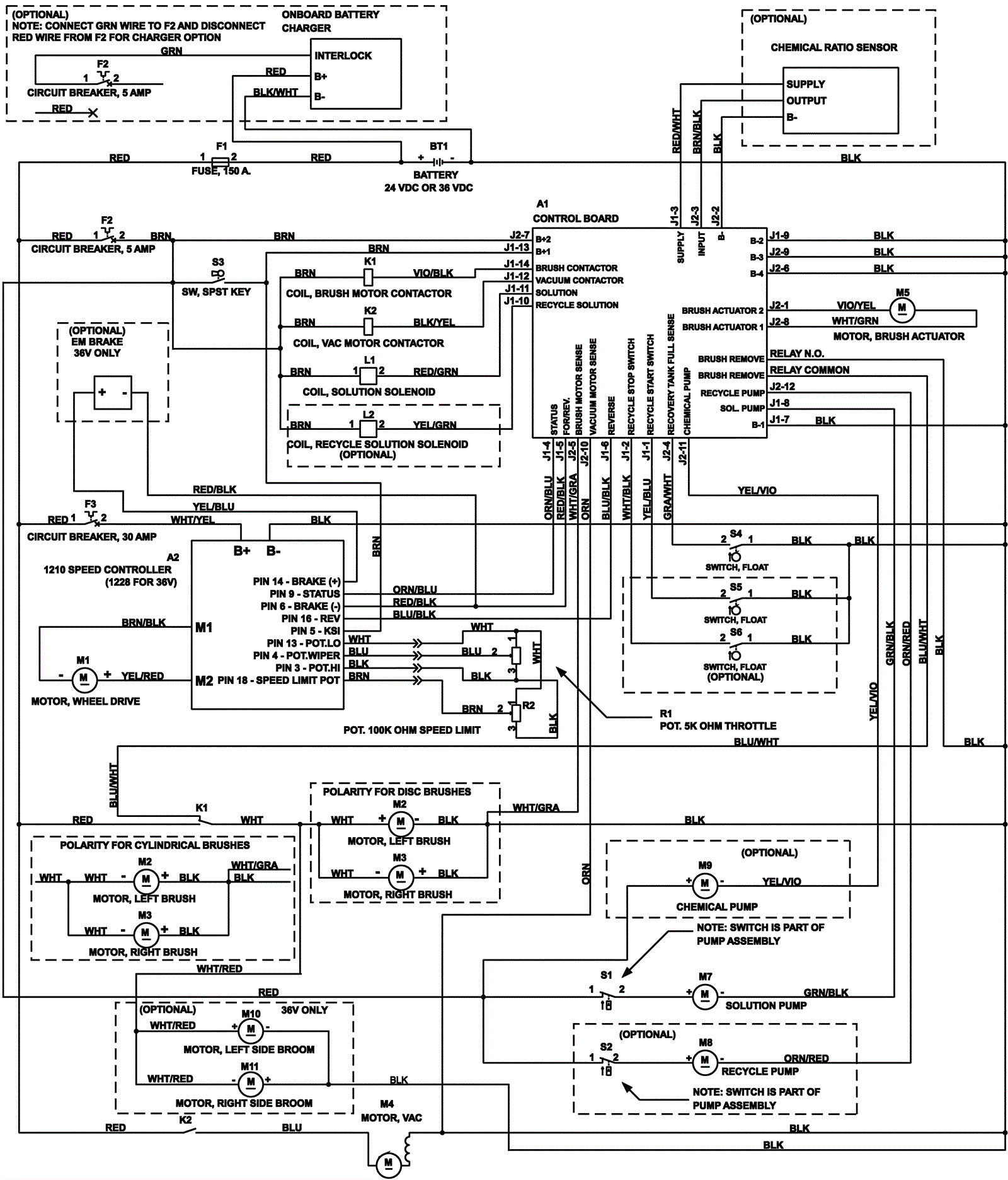
BA755C
Wiring Diagram
Click to enlarge
#
Part
Description
Price
Req
Notes
Availability
A1
272-2317
Control panel assembly (OBSOLETE)
$2,352.79
usually ships 13-18 days