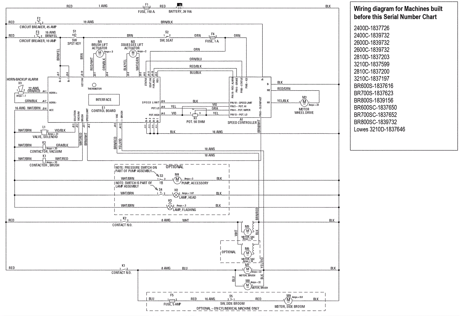
Wiring Diagram- Before SN
Click to enlarge