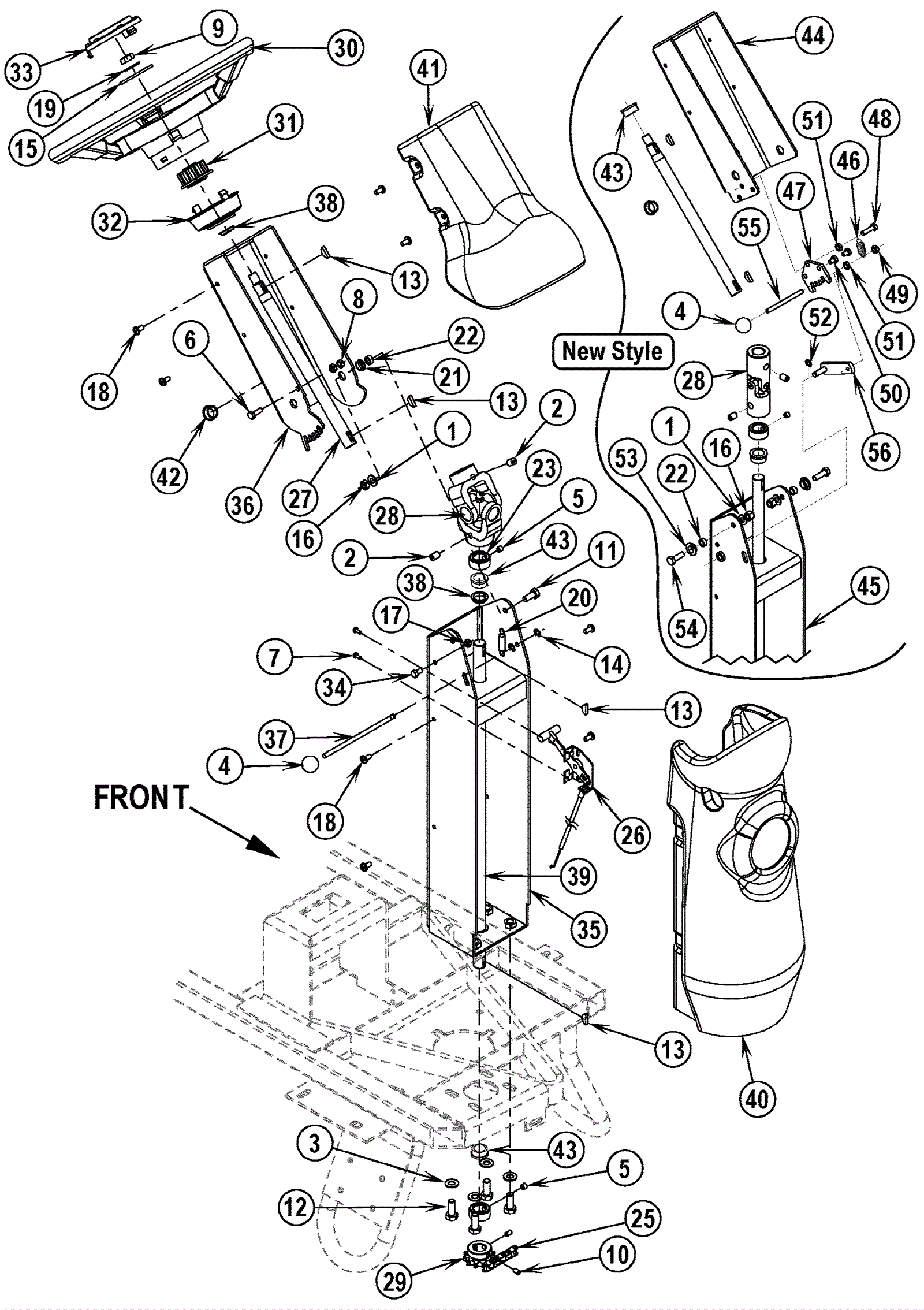
| # | Part | Description | Price | Req | Notes | Availability |
001 |
999-0024
|
Washer 5/16 flat stainless steel |
$1.34
|
2 |
|
ships same day |
002 |
999-1373
|
Screw 3/8-16 x 3/8 socket set lock stainless steel |
$6.34
|
2 |
|
usually ships 1-5 days |
003 |
999-0120
|
Washer 3/8 SAE flat |
$0.99
|
4 |
|
ships same day |
004 |
172-2674
|
Knob |
$12.89
|
1 |
|
ships same day |
005 |
999-0346
|
Screw 5/16-18 x 1/4 set cup point socket alloy plain finish |
$0.99
|
2 |
|
ships same day |
006 |
999-0334
|
Bolt 1/4-20 x 3/4 inch hex head stainless steel |
$3.85
|
1 |
|
usually ships 16-20 days |
007 |
999-0363
|
Screw 8-32 x 3/8 hex head unslotted thread rolling |
$0.99
|
2 |
|
ships same day |
008 |
999-0152
|
Nut 1/4-20 nylon insert lock zinc plated |
$0.99
|
2 |
|
ships same day |
009 |
999-0118
|
Nut 1/2-13 nylon insert lock zinc plated |
$0.99
|
1 |
|
ships same day |
010 |
272-1454
|
Screw 1/4-20 X 3/8 socket set lock |
$12.89
|
2 |
|
usually ships 1-5 days |
011 |
999-9092
|
Screw M8-1.25 x 20mm hex head stainless steel |
$2.79
|
2 |
|
ships same day |
012 |
999-1372
|
Bolt M10-1.5 x 25mm hex head stainless steel |
$3.56
|
4 |
|
ships same day |
013 |
172-9387
|
Woodruff key |
$12.89
|
4 |
|
usually ships 13-18 days |
014 |
172-0392
|
Retaining ring |
$11.35
|
2 |
|
usually ships 13-18 days |
015 |
999-1363
|
Washer 7/8 flat stainless steel |
$3.48
|
1 |
|
ships same day |
016 |
999-0471
|
Nut M8-1.25 nylon insert lock zinc plated |
$0.99
|
2 |
|
ships same day |
017 |
999-0469
|
Nut M6-1 nylon insert lock zinc plated |
$1.32
|
1 |
|
ships same day |
018 |
999-0508
|
Screw 1/4-20 x 1/2 pan head phillips zinc plated |
$0.99
|
8 |
|
ships same day |
019 |
999-0114
|
Washer 1/2 SAE flat |
$0.99
|
1 |
|
ships same day |
020 |
172-9056
|
Extension spring |
$12.89
|
1 |
|
usually ships 13-18 days |
021 |
172-8919
|
Flanged bearing |
$12.89
|
2 |
|
usually ships 13-18 days |
022 |
172-4008
|
Bushing |
$38.50
|
2 |
|
ships same day |
023 |
172-0115
|
Shaft collar |
$30.60
|
2 |
|
usually ships 13-18 days |
025 |
172-9068
|
Roller chain |
$73.78
|
1 |
|
ships same day |
026 |
172-9071
|
Solution control cable |
$48.17
|
1 |
|
usually ships 13-18 days |
027 |
172-9072
|
Upper steering shaft |
$146.97
|
1 |
|
usually ships 1-5 days |
028 |
172-9074
|
Universal joint |
$249.19
|
1 |
|
usually ships 1-5 days |
029 |
172-8093
|
Sprocket |
$100.16
|
1 |
|
usually ships 13-18 days |
030 |
172-9075
|
Steering wheel |
$302.03
|
1 |
|
usually ships 13-18 days |
031 |
172-9078
|
Steering wheel adapter |
$45.00
|
1 |
|
usually ships 1-5 days |
032 |
172-9076
|
Cup |
$20.91
|
1 |
|
usually ships 1-5 days |
033 |
172-9077
|
Cap |
$58.45
|
1 |
|
usually ships 1-5 days |
034 |
999-9116
|
Screw M6-1 x 12mm hex head stainless steel |
$0.99
|
1 |
|
ships same day |
035a |
272-1229
|
Lower column |
$290.02
|
1 |
(before SN 1797187) |
usually ships 1-5 days |
035b |
272-1229
|
Lower column |
$290.02
|
1 |
(after SN 1797186) |
usually ships 1-5 days |
036 |
172-3487
|
Upper column |
$104.81
|
1 |
|
usually ships 13-18 days |
037 |
172-3488
|
Locking rod |
$45.00
|
1 |
|
usually ships 13-18 days |
038 |
172-3489
|
Bearing nyliner |
$14.41
|
3 |
(qty of 1 after SN 1797186) |
usually ships 13-18 days |
039 |
172-3490
|
Lower steering shaft |
$56.65
|
1 |
|
usually ships 13-18 days |
040 |
172-3491
|
Lower column shroud |
$115.74
|
1 |
|
usually ships 1-5 days |
041 |
172-3492
|
Upper column shroud |
$42.44
|
1 |
|
usually ships 1-5 days |
042 |
172-1803
|
Plug |
$12.89
|
1 |
|
usually ships 1-5 days |
043 |
172-9388
|
Flanged bearing |
$14.41
|
2 |
|
usually ships 13-18 days |
044 |
272-9484
|
Upper column |
$118.76
|
1 |
(SN after 1942863) |
usually ships 13-18 days |
045 |
472-8232
|
STEERING UPGRADE KIT |
$473.52
|
1 |
|
usually ships 13-18 days |
046 |
272-9479
|
Extension spring |
$14.41
|
1 |
(SN after 1942863) |
usually ships 13-18 days |
047 |
272-9480
|
Steering column ratchet |
$12.89
|
1 |
(SN after 1942863) |
usually ships 13-18 days |
048 |
999-0830
|
Screw 1/4-20 x 1 hex head plain finish |
$0.99
|
1 |
(SN after 1942863) |
ships same day |
049 |
999-0152
|
Nut 1/4-20 nylon insert lock zinc plated |
$0.99
|
1 |
|
ships same day |
050 |
272-9727
|
Screw 1/4-20 x 1/2 hex head lock |
$12.89
|
2 |
(SN after 1942863) |
usually ships 1-5 days |
051 |
999-0971
|
Nut 1/4-20 jam stainless steel |
$0.99
|
2 |
(SN after 1942863) |
ships same day |
052 |
172-0294
|
Retaining ring |
$12.89
|
1 |
(SN after 1942863) |
usually ships 13-18 days |
053 |
272-9481
|
Flanged bearing |
$16.20
|
2 |
(SN after 1942863) |
usually ships 13-18 days |
054 |
999-9082
|
Screw M8-1.25 x 25mm hex head stainless steel |
$1.85
|
2 |
(SN after 1942863) |
ships same day |
055 |
272-9482
|
Rod |
$12.89
|
1 |
(SN after 1942863) |
usually ships 13-18 days |
056 |
272-9483
|
Steering weldment |
$53.61
|
1 |
(SN after 1942863) |
usually ships 1-5 days |
N/S |
172-9123
|
Logo decal (OBSOLETE) |
$140.18
|
1 |
|
usually ships 1-5 days |