| # | Part | Description | Price | Req | Notes | Availability |
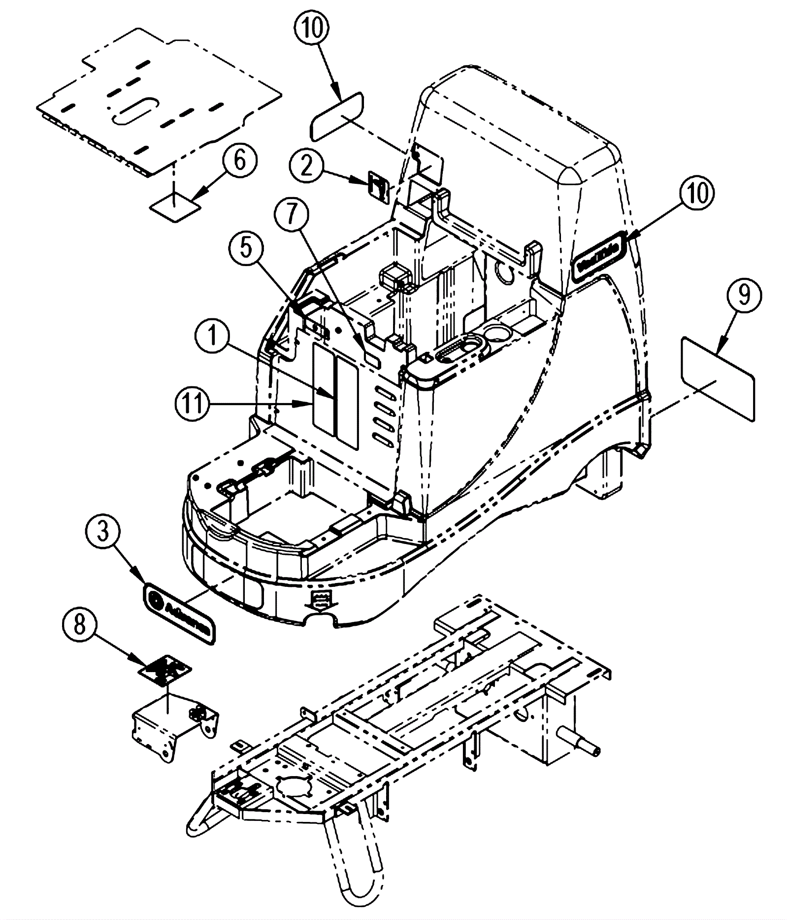
1 |
172-5000
|
Caution decal |
$48.17
|
1 |
|
usually ships 1-5 days |
2 |
272-6290
|
Wand decal (after May 2005) |
$19.25
|
1 |
|
usually ships 1-5 days |
3 |
272-2292
|
Advance decal |
$17.74
|
1 |
|
usually ships 13-18 days |
5 |
272-8766
|
Circuit breaker decal |
$17.74
|
1 |
|
usually ships 1-5 days |
6 |
272-8767
|
Battery wiring decal |
$14.41
|
1 |
|
usually ships 1-5 days |
7 |
172-8768
|
Decal |
$11.35
|
1 |
|
usually ships 1-5 days |
8 |
272-8769
|
Instruction label |
$12.10
|
1 |
|
usually ships 1-5 days |
9 |
272-8770
|
HEPA label |
$12.10
|
1 |
|
usually ships 1-5 days |
10 |
272-8771
|
VacRide label |
$8.80
|
1 |
|
usually ships 1-5 days |
11 |
272-8772
|
HEPA warning label |
$8.80
|
1 |
|
usually ships 1-5 days |