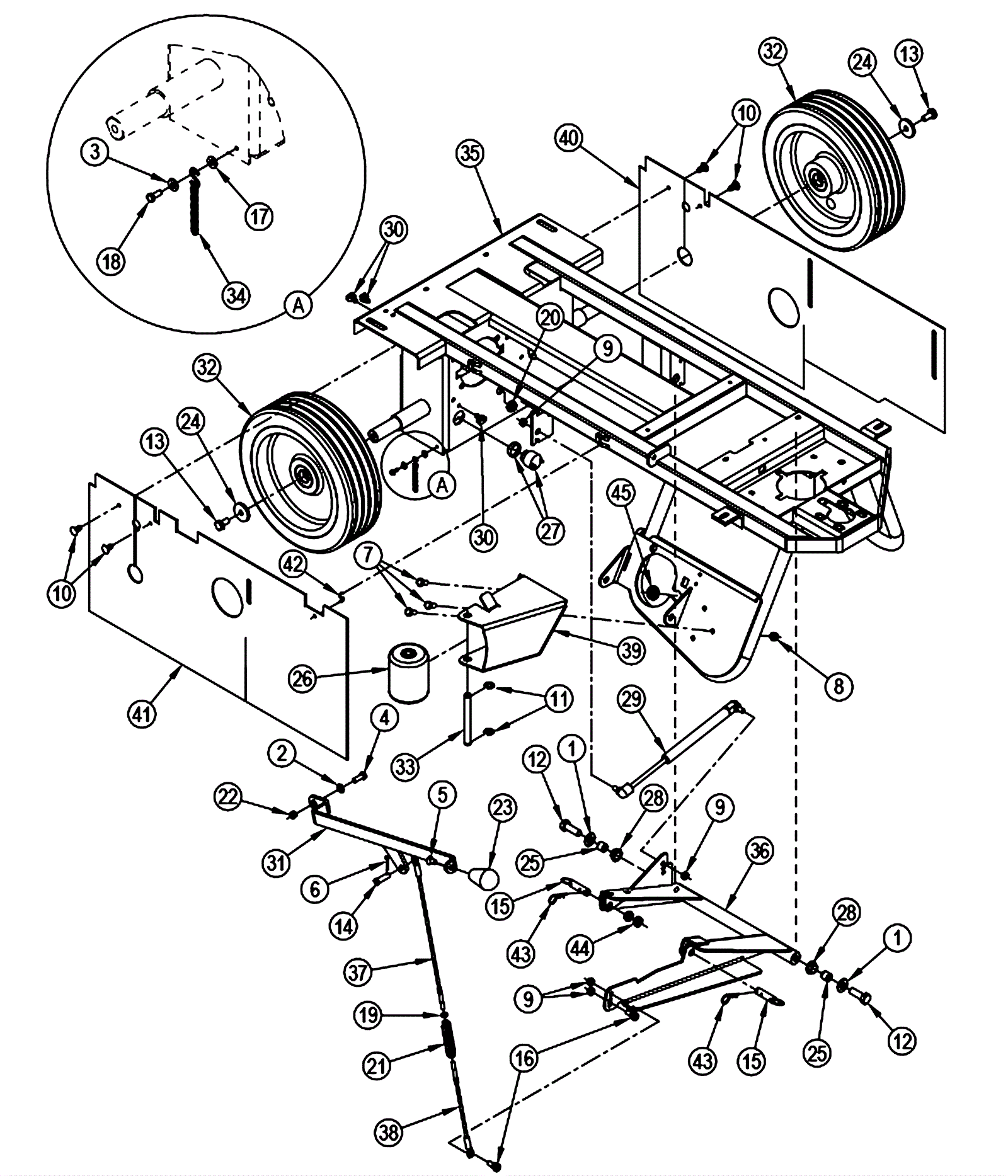
| # | Part | Description | Price | Req | Notes | Availability |
1 |
999-0114
|
Washer 1/2 SAE flat |
$0.99
|
2 |
|
ships same day |
2 |
999-0024
|
Washer 5/16 flat stainless steel |
$1.34
|
1 |
|
ships same day |
3 |
999-1862
|
Washer #10 flat SAE stainless steel |
$0.99
|
1 |
|
ships same day |
4 |
999-0601
|
Screw 5/16-18 x 5/8 pan head phillips zinc plated |
$0.99
|
1 |
|
ships same day |
5 |
272-0567
|
Screw 5/16-18 x 3/4 flat phillips |
$11.35
|
1 |
|
usually ships 1-5 days |
6 |
997-2503
|
Cotter pin 1/8 x 1 |
$0.99
|
1 |
|
ships same day |
7 |
999-0132
|
Bolt 5/16-18 x 3/4 hex head grade 5 zinc plated |
$2.64
|
3 |
|
ships same day |
8 |
999-0211
|
Nut 5/16-18 hex nylon insert lock zinc plated |
$0.99
|
3 |
|
ships same day |
9 |
999-0211
|
Nut 5/16-18 hex nylon insert lock zinc plated |
$0.99
|
5 |
|
ships same day |
10 |
991-5122
|
1/4 nylon tree push-in rivet |
$1.67
|
4 |
(OEM) |
ships same day |
10 |
991-5122
|
1/4 nylon tree push-in rivet |
$1.67
|
4 |
(NON-OEM) |
ships same day |
11 |
172-0269
|
Retaining ring |
$11.35
|
2 |
|
usually ships 13-18 days |
12 |
999-1128
|
Bolt M12-1.75 x 35mm hex hd stainless steel part thread |
$6.60
|
2 |
|
ships same day |
13 |
272-1605
|
Bolt M10-1.5 x 20mm hex head nylon lock |
$12.89
|
2 |
|
usually ships 13-18 days |
14 |
272-8753
|
Clevis pin |
$12.89
|
1 |
|
usually ships 13-18 days |
15 |
172-3360
|
Ring pin 1/2 x 1-1/4 |
$7.58
|
2 |
|
usually ships 13-18 days |
16 |
999-0646
|
Screw 5/16-18 x 3/8 socket head shoulder |
$3.08
|
2 |
|
ships same day |
17 |
999-0053
|
Washer #10 split lock plain finish |
$0.99
|
1 |
|
ships same day |
18 |
999-1369
|
Screw 10-24 x 1/2 hex head thread cutting stainless steel |
$0.99
|
1 |
|
ships same day |
19 |
999-0181
|
Nut 1/4-20 hex jam plain finish |
$0.99
|
1 |
|
ships same day |
20 |
172-9055
|
Grommet |
$5.50
|
1 |
|
usually ships 1-5 days |
21 |
172-2296
|
Turn buckle |
$11.75
|
1 |
|
usually ships 13-18 days |
22 |
172-4008
|
Bushing |
$38.50
|
1 |
|
ships same day |
23 |
172-0021
|
Knob |
$25.75
|
1 |
|
usually ships 13-18 days |
24 |
272-1606
|
Washer flat |
$22.69
|
2 |
|
ships same day |
25 |
172-0024
|
Bushing |
$14.41
|
2 |
|
usually ships 13-18 days |
26 |
172-9157
|
Roller wheel |
$48.17
|
1 |
|
usually ships 13-18 days |
27 |
172-8839
|
Backup alarm |
$55.14
|
1 |
|
usually ships 13-18 days |
28 |
272-1843
|
Flanged bearing |
$14.41
|
2 |
|
usually ships 13-18 days |
29 |
272-9455
|
Gas cylinder |
$45.00
|
1 |
|
usually ships 13-18 days |
30 |
272-8754
|
Conduit clip |
$12.89
|
3 |
|
usually ships 1-5 days |
31 |
272-8755
|
Lift lever weldment |
$125.47
|
1 |
|
usually ships 13-18 days |
32 |
172-3283
|
Wheel and bearing assembly |
$320.69
|
2 |
|
ships same day |
33 |
272-8756
|
Pin |
$7.41
|
1 |
|
usually ships 13-18 days |
34 |
272-8757
|
Ground chain |
$12.89
|
1 |
|
usually ships 1-5 days |
35 |
272-8758
|
Chassis weldment |
$913.00
|
1 |
|
usually ships 1-5 days |
36 |
272-8759
|
Linkage weldment |
$187.00
|
1 |
|
usually ships 1-5 days |
37 |
272-8760
|
Wire rope assembly |
$28.60
|
1 |
|
usually ships 1-5 days |
38 |
272-8761
|
Wire rope assembly (OBSOLETE) |
$28.60
|
1 |
|
usually ships 13-18 days |
39 |
272-8762
|
Roller bracket |
$65.45
|
1 |
|
usually ships 1-5 days |
40 |
272-8763
|
Left skirt |
$33.78
|
1 |
|
usually ships 1-5 days |
41 |
272-8764
|
Right skirt (OBSOLETE) |
$24.86
|
1 |
|
usually ships 13-18 days |
42 |
172-2309
|
S hook |
$14.41
|
1 |
|
usually ships 1-5 days |
43 |
997-2509
|
Cotter pin 1/8 x 3/4 stainless steel |
$0.99
|
2 |
|
ships same day |
44 |
272-8765
|
Bushing |
$53.61
|
2 |
|
usually ships 13-18 days |
45 |
172-0343
|
Grommet |
$14.18
|
1 |
|
usually ships 13-18 days |