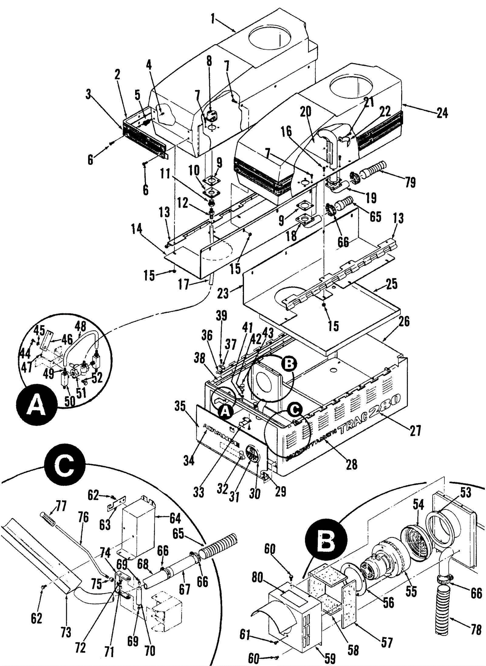
Vac Motor, Tanks and Battery Housing
Click to enlarge