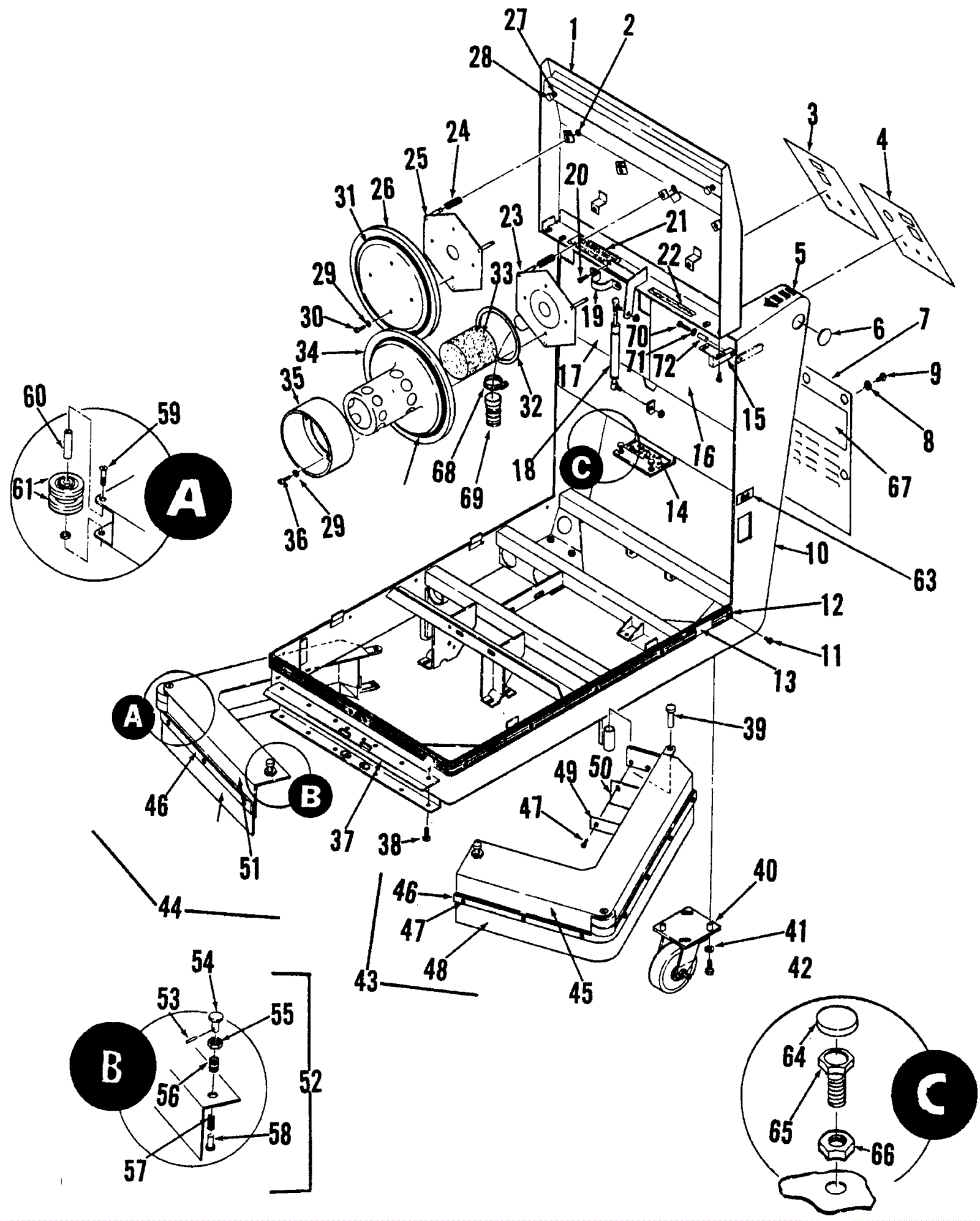
Chassis, Hood and Skirts Assembly
Click to enlarge