Liberty SC60
Ladder Diagram-2
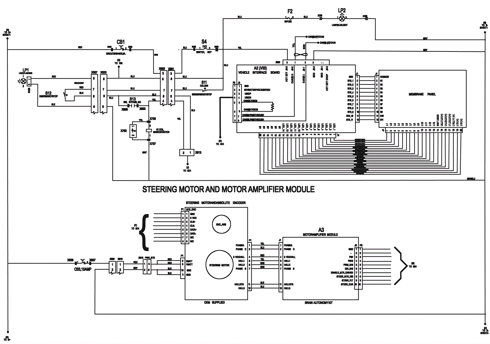
Click to enlarge
#
Part
Description
Price
Req
Notes
Availability
CB1
991-1628
5amp circuit breaker
$15.85
1
usually ships 13-18 days
LP1
572-9110
LED beacon
$227.98
1
usually ships 13-18 days