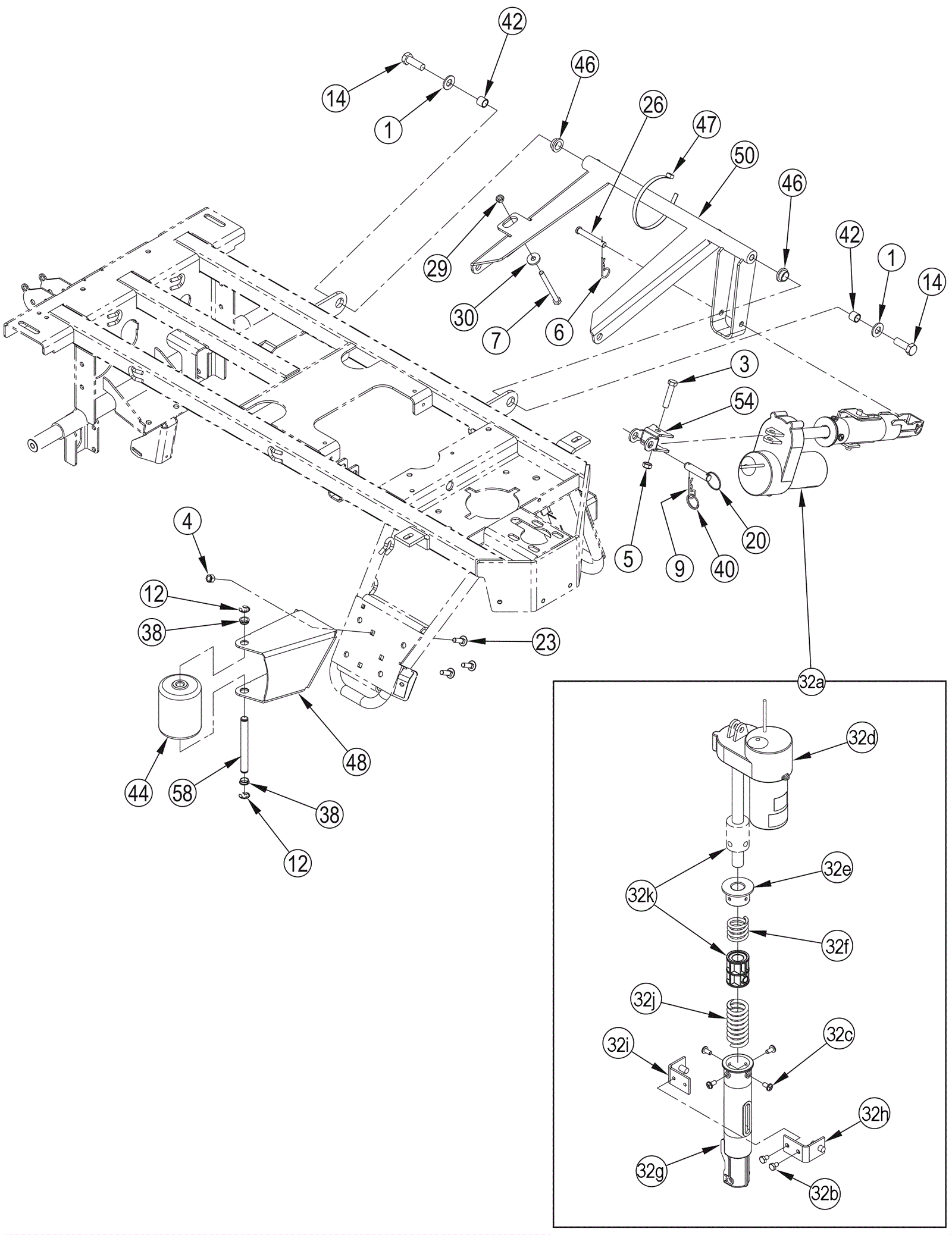
| # | Part | Description | Price | Req | Notes | Availability |
1 |
999-0114
|
Washer 1/2 SAE flat |
$0.99
|
2 |
|
ships same day |
3 |
999-0542
|
Bolt 3/8-16 x 1 3/4 hex head grade 5 zinc plated |
$0.99
|
1 |
|
ships same day |
4 |
999-0211
|
Nut 5/16-18 hex nylon insert lock zinc plated |
$0.99
|
3 |
|
ships same day |
5 |
999-0324
|
Nut 3/8-16 nylon insert lock jam zinc plated |
$0.99
|
1 |
|
ships same day |
6 |
172-2001
|
Hair cotter pin |
$11.35
|
1 |
|
usually ships 13-18 days |
7 |
172-4367
|
Screw 5/16 x 18 x 3 1/2 thread to head hex |
$14.18
|
1 |
|
usually ships 1-5 days |
9 |
997-2511
|
Cotter pin |
$0.99
|
1 |
|
ships same day |
12 |
172-0269
|
Retaining ring |
$11.35
|
2 |
|
usually ships 13-18 days |
14 |
999-1128
|
Bolt M12-1.75 x 35mm hex hd stainless steel part thread |
$6.60
|
2 |
|
ships same day |
20 |
272-2115
|
Clevis pin |
$10.60
|
1 |
|
usually ships 13-18 days |
23 |
272-5974
|
Screw 5/16-18 x 1 carriage head SS |
$12.89
|
3 |
|
usually ships 1-5 days |
26 |
272-3546
|
Clevis pin |
$5.50
|
1 |
|
usually ships 13-18 days |
29 |
999-0430
|
Nut 5/16-18 hex jam plain finish |
$0.99
|
1 |
|
ships same day |
30 |
172-2067
|
Washer 11/32 x 1/8 flat |
$12.89
|
1 |
|
usually ships 13-18 days |
32a |
572-9136
|
Actuator assembly |
$439.90
|
1 |
(includes 32b-32k) |
usually ships 13-18 days |
32b |
999-0360
|
Screw 1/4-20 x 3/8 hex head thread rolling unslotted |
$0.99
|
2 |
|
ships same day |
32c |
999-1129
|
Screw 1/4-20 x 1/2 pan head phillips thread rolling zinc |
$0.99
|
4 |
|
ships same day |
32d |
572-9137
|
Actuator |
$183.18
|
1 |
|
ships same day |
32e |
272-8539
|
Spring housing guide |
$66.03
|
1 |
|
usually ships 13-18 days |
32f |
172-8941
|
Compression spring |
$30.60
|
1 |
|
usually ships 13-18 days |
32g |
172-8952
|
Spring housing |
$76.04
|
1 |
|
usually ships 13-18 days |
32h |
172-8954
|
Nut retainer |
$55.14
|
1 |
|
usually ships 13-18 days |
32i |
172-8955
|
Nut retainer |
$55.14
|
1 |
|
usually ships 13-18 days |
32j |
272-3552
|
Compression spring |
$20.91
|
1 |
|
usually ships 13-18 days |
32k |
172-8922
|
Plastic drive nut |
$20.91
|
1 |
|
usually ships 13-18 days |
38 |
172-8919
|
Flanged bearing |
$12.89
|
2 |
|
usually ships 13-18 days |
40 |
272-9308
|
Ring |
$12.89
|
1 |
|
usually ships 13-18 days |
42 |
172-0024
|
Bushing |
$14.41
|
2 |
|
usually ships 13-18 days |
44 |
172-9157
|
Roller wheel |
$48.17
|
1 |
|
usually ships 13-18 days |
46 |
272-1843
|
Flanged bearing |
$14.41
|
2 |
|
usually ships 13-18 days |
47 |
997-2102
|
Cable tie |
$1.38
|
2 |
|
ships same day |
48 |
272-6377
|
Bracket |
$37.13
|
1 |
|
ships same day |
50 |
272-3549
|
Linkage weldment |
$232.99
|
1 |
|
usually ships 1-5 days |
54 |
272-3550
|
Actuator yoke |
$26.50
|
1 |
|
usually ships 13-18 days |
58 |
272-8756
|
Pin |
$7.41
|
1 |
|
usually ships 13-18 days |