| # | Part | Description | Price | Req | Notes | Availability |
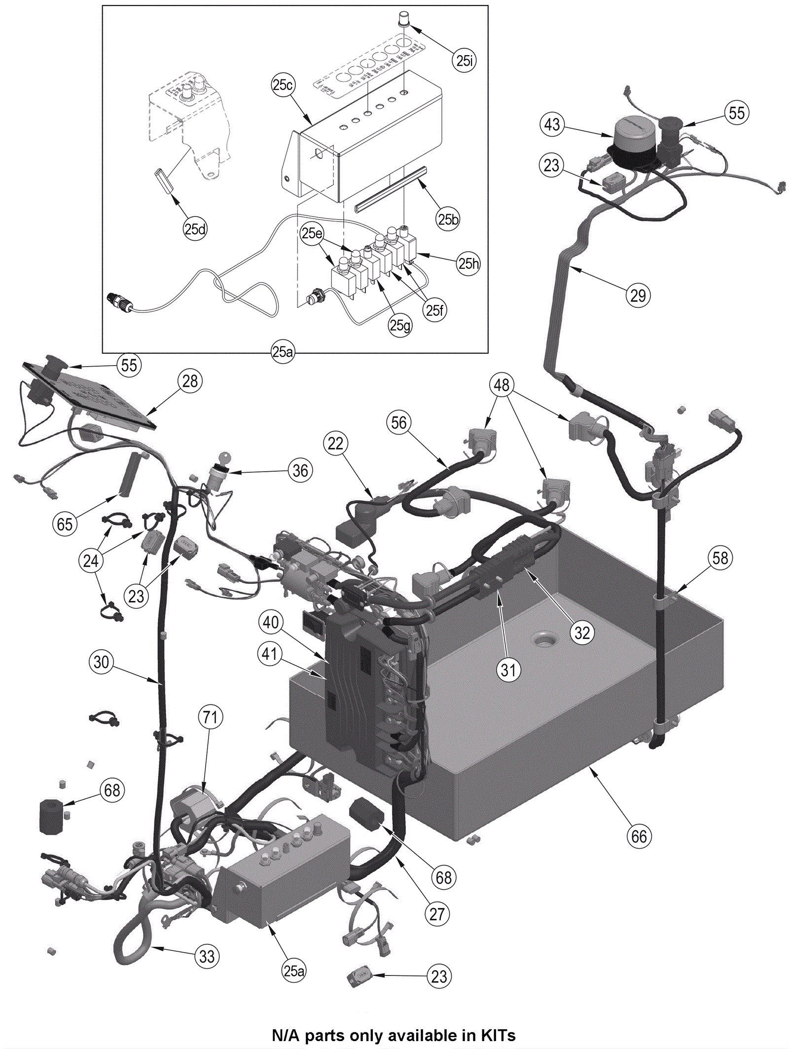
22 |
372-1324
|
Fuse boot holder |
$8.03
|
1 |
|
usually ships 13-18 days |
23 |
472-4939
|
FERRITE BEAD |
$41.97
|
5 |
|
usually ships 13-18 days |
24 |
472-5079
|
CABLE TIE-MOUNT |
$9.70
|
13 |
|
usually ships 13-18 days |
25a |
N/A
|
Not available |
Call for price
|
1 |
(circuit breaker assembly) |
usually ships 3-26 days |
25b |
472-4088
|
TRIM-EDGE |
$45.00
|
1 |
|
usually ships 13-18 days |
25c |
572-9097
|
Circuit breaker bracket |
$68.17
|
1 |
|
usually ships 13-18 days |
25d |
572-9098
|
Edge trim |
$11.19
|
1 |
|
usually ships 13-18 days |
25e |
991-1628
|
5amp circuit breaker |
$15.85
|
2 |
|
usually ships 13-18 days |
25f |
272-2209
|
30amp circuit breaker |
$14.41
|
2 |
|
ships same day |
25g |
272-7727
|
20amp circuit breaker |
$33.66
|
1 |
|
ships same day |
25h |
172-2523
|
70amp circuit breaker |
$136.65
|
1 |
|
usually ships 1-5 days |
25i |
172-0232
|
Clear boot cap |
$40.16
|
1 |
|
usually ships 13-18 days |
25j |
991-1633
|
70amp circuit breaker |
$57.60
|
1 |
(NON-OEM) |
usually ships 21-22 days |
27a |
572-9099
|
Main harness |
$1,665.24
|
1 |
|
usually ships 13-18 days |
27b |
572-9100
|
Terminating DT series diode |
$49.24
|
3 |
|
usually ships 13-18 days |
28 |
572-9101
|
User interface assembly |
$2,019.25
|
1 |
|
usually ships 13-18 days |
29 |
572-9102
|
Recovery lid harness |
$766.21
|
1 |
|
usually ships 13-18 days |
30 |
572-9103
|
Column harness |
$736.05
|
1 |
|
usually ships 13-18 days |
31 |
572-9104
|
Machine cable assembly |
$153.00
|
1 |
|
usually ships 13-18 days |
32 |
572-9105
|
Battery cable assembly |
$130.44
|
1 |
|
usually ships 13-18 days |
33 |
572-9106
|
Traction harness |
$539.58
|
1 |
|
usually ships 13-18 days |
36a |
N/A
|
Not available |
Call for price
|
1 |
(key switch with key) (only available with KIT1) |
usually ships 3-26 days |
36b |
572-9107
|
Replacement key set |
$40.15
|
1 |
|
usually ships 13-18 days |
40a |
N/A
|
Not available |
Call for price
|
1 |
(machine controller assembly) (only available with KIT3) |
usually ships 3-26 days |
40b |
572-9108
|
Controller mounting plate |
$40.17
|
1 |
|
usually ships 13-18 days |
40c |
572-9109
|
Screw M4 x 30 |
$5.50
|
2 |
|
usually ships 13-18 days |
41 |
N/A
|
Not available |
Call for price
|
1 |
(machine cylinder controller) (only available with KIT5) |
usually ships 3-26 days |
43 |
572-9110
|
LED beacon |
$227.98
|
1 |
|
usually ships 13-18 days |
48 |
172-0223
|
Battery cable boot |
$9.70
|
7 |
|
ships same day |
55 |
N/A
|
Not available |
Call for price
|
2 |
(emergency disconnect) (only available with KIT2) |
usually ships 3-26 days |
56 |
172-8828
|
Battery cable |
$50.45
|
3 |
|
usually ships 13-18 days |
58 |
272-3351
|
P clamp |
$12.89
|
3 |
|
usually ships 1-5 days |
65 |
372-2021
|
Edge trim |
$12.89
|
2 |
|
usually ships 13-18 days |
66 |
272-8863
|
Battery box |
$225.10
|
1 |
|
usually ships 13-18 days |
68 |
272-3623
|
Ferrite bead |
$35.82
|
3 |
|
usually ships 1-5 days |
71 |
272-3622
|
Ferrite bead |
$58.17
|
2 |
|
usually ships 1-5 days |
KIT1 |
572-9111
|
Key switch kit |
$97.10
|
1 |
(includes 36) |
usually ships 13-18 days |
KIT2 |
572-9112
|
Emergency disconnect kit |
$74.53
|
1 |
(includes 55) |
usually ships 13-18 days |
KIT3 |
572-9113
|
Disc machine controller kit |
$1,703.64
|
1 |
(includes 40a) |
usually ships 13-18 days |
KIT5 |
572-9114
|
Cylinder machine controller kit |
$1,685.48
|
1 |
(includes 41) |
usually ships 13-18 days |