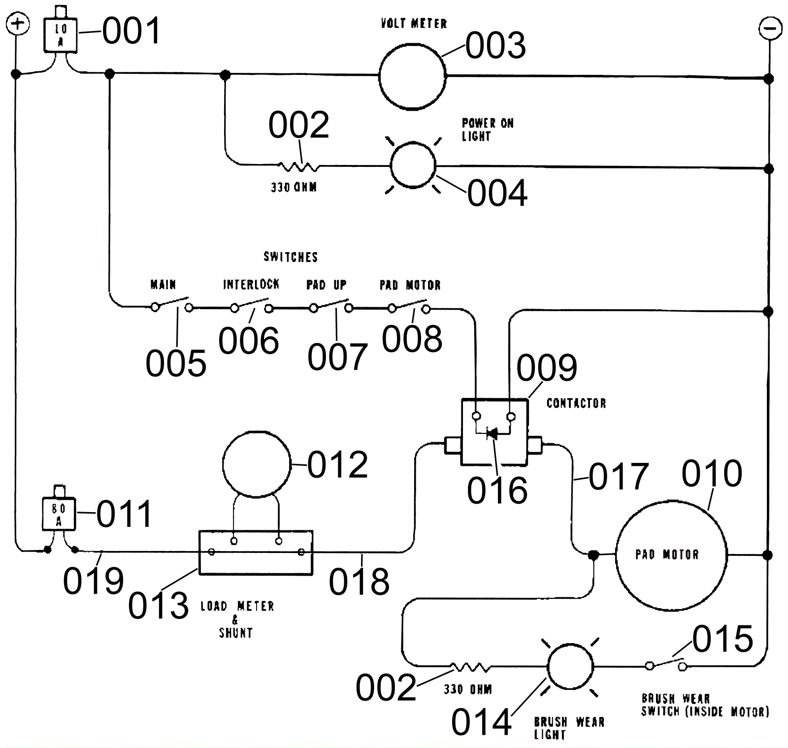
| # | Part | Description | Price | Req | Notes | Availability |
000a |
N/A
|
Not available |
Call for price
|
1 |
Wiring harness Before February 1998 |
usually ships 3-26 days |
000b |
181-1372
|
Wiring harness (OBSOLETE) |
$180.62
|
1 |
After January 1998 |
usually ships 1-5 days |
001 |
172-2160
|
10amp circuit breaker |
$80.75
|
1 |
|
usually ships 13-18 days |
002 |
N/A
|
Not available |
Call for price
|
2 |
(Before February 1998) Resistor assembly |
usually ships 3-26 days |
003 |
172-2664
|
Battery meter |
$118.48
|
1 |
|
usually ships 13-18 days |
004a |
172-0220
|
Green light (OBSOLETE) |
$17.90
|
1 |
Before February 1998 |
usually ships 13-18 days |
004b |
181-1338
|
Green indicator light |
$21.01
|
1 |
After January 1998 |
usually ships 13-18 days |
005 |
172-0312
|
Toggle switch |
$85.24
|
1 |
|
usually ships 13-18 days |
006 |
272-1683
|
Mercury switch assembly |
$231.04
|
1 |
|
usually ships 1-5 days |
007 |
172-0270
|
Snap switch (OBSOLETE) |
$47.30
|
1 |
|
usually ships 13-18 days |
008 |
172-4628
|
Snap switch (OBSOLETE) (SEE NOTE) |
$42.39
|
1 |
|
usually ships 13-18 days |
009 |
172-2805
|
36V contactor |
$104.81
|
1 |
|
ships same day |
010 |
181-1359
|
Brush motor |
$1,297.48
|
1 |
|
usually ships 13-18 days |
011 |
172-8178
|
Circuit Breaker |
$221.65
|
1 |
|
usually ships 1-5 days |
012 |
172-8237
|
D.C. Ammeter |
$122.32
|
1 |
|
usually ships 1-5 days |
013 |
164-3029
|
Shunt |
$74.97
|
1 |
|
usually ships 19-25 days |
014a |
172-8177
|
24V indicator light (red) |
$22.41
|
1 |
Before February 1998 |
usually ships 1-5 days |
014b |
181-1339
|
36V indicator light (red) |
$21.00
|
1 |
After January 1998 |
usually ships 13-18 days |
015 |
N/A
|
Not available |
Call for price
|
1 |
Brush Wear Switch |
usually ships 3-26 days |
016 |
172-0236
|
Diode rectifier assembly |
$34.23
|
1 |
|
usually ships 13-18 days |
017 |
172-1742
|
Cable Assembly (OBSOLETE) |
$28.71
|
1 |
|
usually ships 1-5 days |
018 |
181-1369
|
Cable assembly (OBSOLETE) |
$34.32
|
1 |
|
usually ships 1-5 days |
019 |
181-1370
|
Cable assembly (OBSOLETE) |
$33.22
|
1 |
|
usually ships 1-5 days |