| # | Part | Description | Price | Req | Notes | Availability |
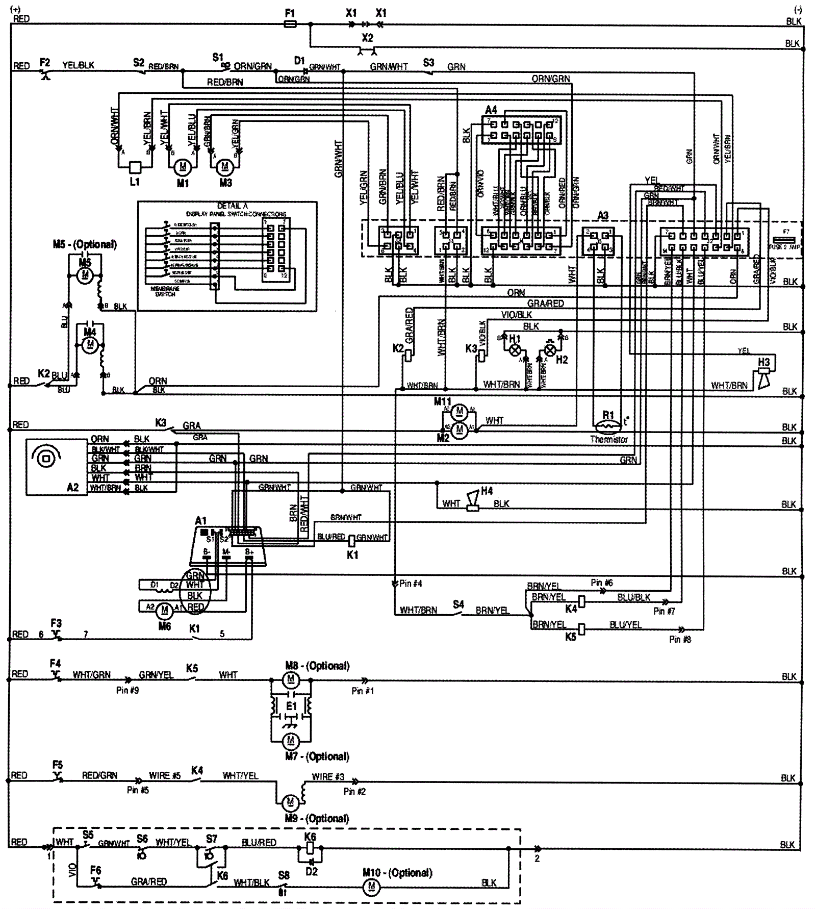
A1 |
172-1158
|
Controller 36 Volt DC (OBSOLETE) |
$2,534.96
|
1 |
|
usually ships 1-5 days |
A2 |
172-9211
|
Electronic throttle |
$697.88
|
1 |
|
usually ships 1-5 days |
A3 |
172-1148
|
Control assembly (OBSOLETE) |
$1,265.00
|
1 |
|
usually ships 1-5 days |
A4 |
172-1149
|
Display panel assembly (OBSOLETE) |
$923.29
|
1 |
|
usually ships 1-5 days |
BT |
N/A
|
Not available |
Call for price
|
1 |
(not available) |
usually ships 3-26 days |
D1 |
172-9592
|
Diode |
$9.90
|
1 |
|
usually ships 1-5 days |
D2 |
N/A
|
Not available |
Call for price
|
1 |
(not available) |
usually ships 3-26 days |
E1 |
172-9748
|
RFI filter (OBSOLETE) |
$52.80
|
1 |
|
usually ships 1-5 days |
F1 |
172-1138
|
250amp fuse |
$127.40
|
1 |
|
usually ships 1-5 days |
F2 |
172-2160
|
10amp circuit breaker |
$80.75
|
1 |
|
usually ships 13-18 days |
F3 |
172-9573
|
80 Amp circuit breaker (brush motor) |
$291.50
|
1 |
|
usually ships 1-5 days |
F4a |
172-9572
|
15amp circuit breaker |
$80.75
|
1 |
|
usually ships 13-18 days |
F4b |
991-3029
|
Vacuum motor gasket |
$2.80
|
1 |
(NON-OEM) |
ships same day |
F6 |
991-1626
|
3amp circuit breaker |
$77.22
|
1 |
|
usually ships 1-5 days |
F7 |
N/A
|
Not available |
Call for price
|
1 |
(not available) |
usually ships 3-26 days |
H1 |
172-3498
|
Headlight kit |
$347.08
|
1 |
|
usually ships 1-5 days |
H2 |
172-9459
|
Beacon (OBSOLETE) |
$624.42
|
1 |
|
usually ships 1-5 days |
H3 |
172-9432
|
36V horn |
$274.12
|
1 |
|
usually ships 13-18 days |
H4 |
172-9146
|
Back-Up alarm |
$135.11
|
1 |
|
usually ships 1-5 days |
K1 |
172-1157
|
Contactor |
$395.73
|
2 |
|
usually ships 1-5 days |
K2 |
172-2805
|
36V contactor |
$104.81
|
1 |
|
ships same day |
K6 |
172-9609
|
Relay (OBSOLETE) |
$127.49
|
1 |
|
usually ships 1-5 days |
L1 |
172-9356
|
Solenoid valve |
$865.00
|
1 |
|
usually ships 13-18 days |
M1 |
172-8921
|
Actuator |
$635.35
|
1 |
|
usually ships 13-18 days |
M10 |
N/A
|
Not available |
Call for price
|
1 |
(Pump) |
usually ships 3-26 days |
M11 |
172-1173
|
Motor 36Volt DC 1 Hp |
$1,635.40
|
1 |
|
usually ships 1-5 days |
M2 |
172-1031
|
Replacement motor (OBSOLETE) |
$2,153.91
|
1 |
|
usually ships 1-5 days |
M4a |
172-1071
|
36V vacuum motor assembly |
$312.82
|
1 |
|
usually ships 13-18 days |
M4b |
991-1237
|
36V 3 stage vacuum motor bypass dual ball tangential |
$361.06
|
1 |
(NON-OEM) |
ships same day |
M6 |
172-1019
|
Drive motor (OBSOLETE) |
$7,287.39
|
1 |
|
usually ships 1-5 days |
M7a |
172-9741
|
Motor (with RFI filter) |
$1,265.00
|
1 |
|
usually ships 1-5 days |
M7b |
172-9740
|
Motor assembly |
$1,539.52
|
1 |
|
usually ships 1-5 days |
M8 |
172-9686
|
Motor (OBSOLETE) |
$1,320.11
|
1 |
|
usually ships 1-5 days |
M9 |
172-1172
|
Vacuum motor assembly (OBSOLETE) |
$313.70
|
1 |
|
usually ships 1-5 days |
R1 |
172-1161
|
Cable assembly (OBSOLETE) |
$47.91
|
1 |
|
usually ships 1-5 days |
S1 |
272-1316
|
Key switch assembly |
$208.89
|
1 |
|
usually ships 13-18 days |
S2 |
172-1137
|
Waterproof switch (OBSOLETE) |
$116.70
|
1 |
|
usually ships 1-5 days |
S3 |
172-8800
|
Seat switch |
$83.60
|
1 |
|
usually ships 1-5 days |
S4 |
N/A
|
Not available |
Call for price
|
1 |
(not available) |
usually ships 3-26 days |
S5 |
172-0219
|
Rocker switch |
$72.26
|
1 |
|
usually ships 13-18 days |
S6 |
172-9623
|
Mercury switch |
$249.17
|
1 |
|
usually ships 1-5 days |
X1 |
172-9260
|
Connector Assembly |
$305.09
|
1 |
|
usually ships 1-5 days |
X2 |
172-1142
|
Charger plug assembly (OBSOLETE) |
$192.20
|
1 |
|
usually ships 1-5 days |