| # | Part | Description | Price | Req | Notes | Availability |
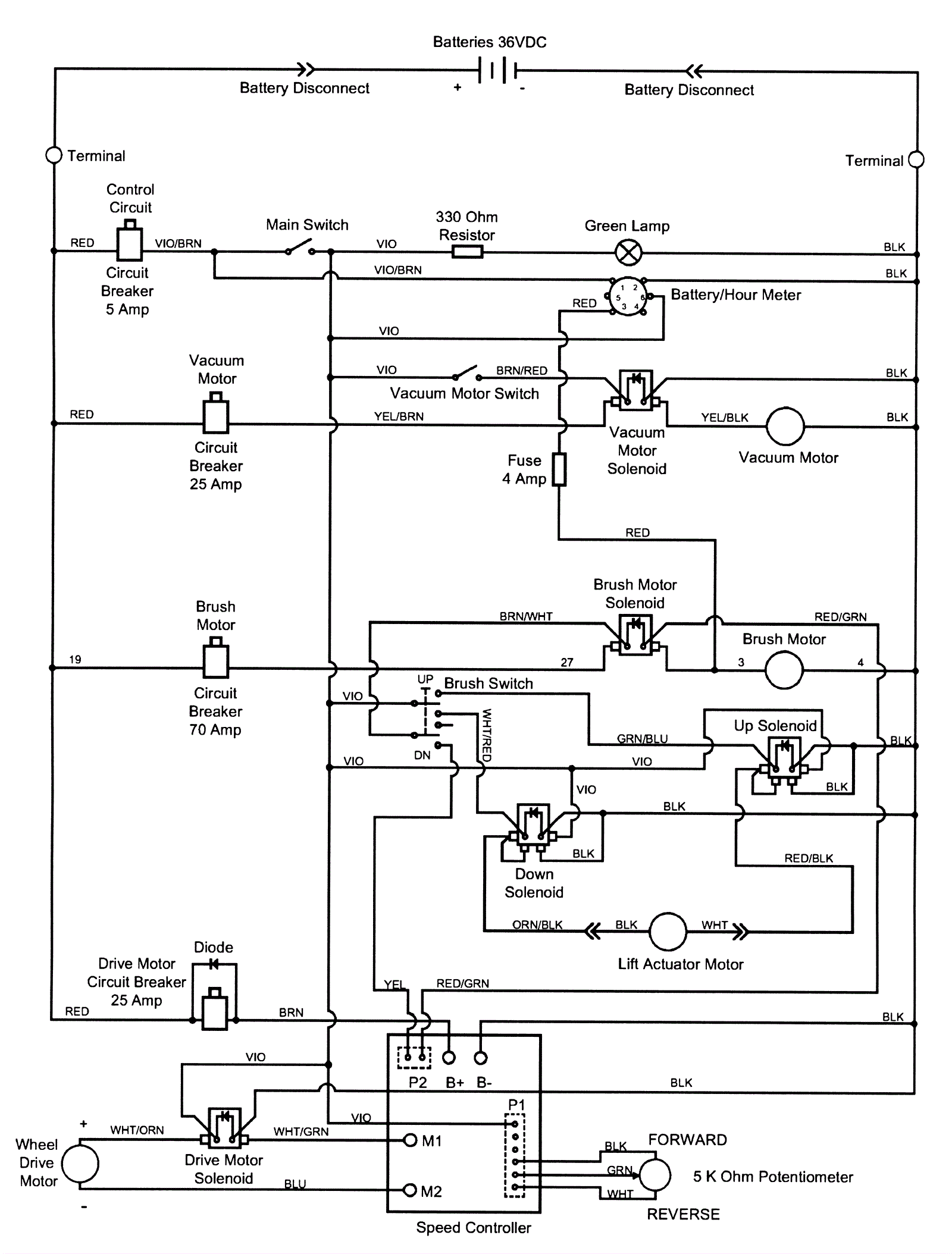
01a |
162-5063
|
36V 20amp battery charger with SB175 large gray plug |
$544.67
|
1 |
|
ships same day |
01b |
162-5063
|
36V 20amp battery charger with SB175 large gray plug |
$544.67
|
1 |
|
ships same day |
02 |
172-9937
|
Battery/Hour meter (OBSOLETE) |
$430.06
|
1 |
|
usually ships 13-18 days |
03 |
172-9827
|
Solenoid contactor (OBSOLETE) |
$131.27
|
1 |
|
usually ships 1-5 days |
04 |
172-0236
|
Diode rectifier assembly |
$34.23
|
1 |
|
usually ships 13-18 days |
05 |
172-9911
|
Brush motor (OBSOLETE) |
$1,373.33
|
1 |
|
usually ships 1-5 days |
06 |
991-1223
|
36V solenoid contactor with 4 post |
$48.17
|
1 |
|
usually ships 18-24 days |
07 |
172-0236
|
Diode rectifier assembly |
$34.23
|
1 |
|
usually ships 13-18 days |
08 |
172-8217
|
Rocker switch (OBSOLETE) |
$48.82
|
1 |
|
usually ships 13-18 days |
09 |
172-9827
|
Solenoid contactor (OBSOLETE) |
$131.27
|
1 |
|
usually ships 1-5 days |
10 |
172-0228
|
5amp circuit breaker (OBSOLETE) |
$79.20
|
1 |
|
usually ships 13-18 days |
11 |
172-9965
|
25 Amp circuit breaker |
$70.18
|
1 |
|
usually ships 1-5 days |
12 |
991-1633
|
70amp circuit breaker |
$57.60
|
1 |
|
usually ships 21-22 days |
13 |
272-1068
|
Diode |
$19.36
|
1 |
|
usually ships 1-5 days |
14 |
172-9962
|
Drive motor |
$2,116.49
|
1 |
|
usually ships 1-5 days |
15 |
991-1223
|
36V solenoid contactor with 4 post |
$48.17
|
1 |
|
usually ships 18-24 days |
16 |
272-1069
|
Diode (OBSOLETE) |
$395.48
|
1 |
|
usually ships 1-5 days |
17 |
272-1070
|
Screw M8-1.5 x 50mm hex head |
$12.50
|
1 |
|
usually ships 1-5 days |
18 |
172-0313
|
Indicator light |
$26.40
|
1 |
|
usually ships 1-5 days |
19 |
172-8082
|
Key switch |
$119.89
|
1 |
|
usually ships 1-5 days |
20 |
N/A
|
Not available |
Call for price
|
1 |
(not available) |
usually ships 3-26 days |
21 |
172-2039
|
5K potentiometer |
$66.03
|
1 |
|
ships same day |
22 |
272-1071
|
Resistor 330 Ohm (OBSOLETE) |
$13.78
|
1 |
|
usually ships 1-5 days |
23 |
172-2812
|
Speed control (OBSOLETE) |
$1,001.48
|
1 |
|
usually ships 13-18 days |
24a |
172-8007
|
36V 3 stage vacuum motor assembly |
$248.66
|
1 |
|
usually ships 1-5 days |
24b |
991-1202-P
|
36V 3 stage vacuum motor tangential with Packard plug |
$134.20
|
1 |
(NON-OEM) |
usually ships 1-5 days |
25 |
172-0236
|
Diode rectifier assembly |
$34.23
|
1 |
|
usually ships 13-18 days |
26 |
172-0270
|
Snap switch (OBSOLETE) |
$47.30
|
1 |
|
usually ships 13-18 days |
27 |
172-0236
|
Diode rectifier assembly |
$34.23
|
1 |
|
usually ships 13-18 days |
28 |
991-1223
|
36V solenoid contactor with 4 post |
$48.17
|
1 |
|
usually ships 18-24 days |
29 |
172-0236
|
Diode rectifier assembly |
$34.23
|
1 |
|
usually ships 13-18 days |
30 |
172-9911
|
Brush motor (OBSOLETE) |
$1,373.33
|
1 |
|
usually ships 1-5 days |
31 |
172-9188
|
Motor, Actuator |
$1,058.11
|
1 |
|
usually ships 1-5 days |
32 |
991-1223
|
36V solenoid contactor with 4 post |
$50.60
|
1 |
|
usually ships 18-24 days |