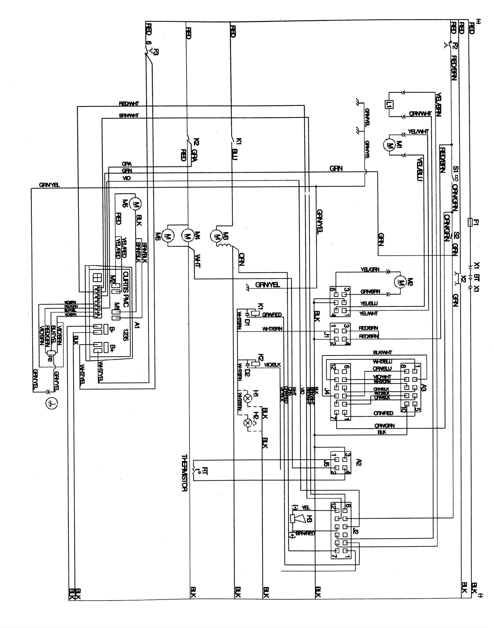
| # | Part | Description | Price | Req | Notes | Availability |
A1 |
172-8832
|
24V controller model HR 2800 |
$3,019.67
|
1 |
Model HR 2800 |
usually ships 1-5 days |
A1 |
172-8833
|
24V controller model BR 700 (OBSOLETE) |
$855.95
|
1 |
Model BR 700 |
usually ships 1-5 days |
A2 |
172-8830
|
Control box assembly |
$1,864.25
|
1 |
|
usually ships 1-5 days |
A3 |
172-8834
|
Display PCB assembly (OBSOLETE) |
$522.50
|
1 |
|
usually ships 13-18 days |
D1 |
172-0236
|
Diode rectifier assembly |
$34.23
|
1 |
|
usually ships 13-18 days |
D2 |
172-0236
|
Diode rectifier assembly |
$34.23
|
1 |
|
usually ships 13-18 days |
F1a |
172-8836
|
150amp fuse |
$20.59
|
1 |
|
usually ships 13-18 days |
F1b |
991-3061
|
150amp fuse |
$56.06
|
1 |
|
ships same day |
F2 |
172-2160
|
10amp circuit breaker |
$80.75
|
1 |
|
usually ships 13-18 days |
F3 |
172-8827
|
45 Amp circuit breaker |
$308.99
|
1 |
|
usually ships 1-5 days |
H1 |
172-9114
|
24V Headlight (OBSOLETE) |
$130.68
|
1 |
|
usually ships 1-5 days |
H2 |
172-3495
|
Warning beacon kit |
$401.42
|
1 |
|
usually ships 13-18 days |
H3 |
172-8839
|
Backup alarm |
$55.14
|
1 |
|
usually ships 13-18 days |
K1a |
172-2163
|
24V solenoid 4 post (2 large 2 small) |
$131.95
|
1 |
|
usually ships 13-18 days |
K1b |
991-1226
|
24V solenoid 4 post (2 large 2 small) |
$66.28
|
1 |
(NON-OEM) |
usually ships 18-24 days |
K2a |
172-2163
|
24V solenoid 4 post (2 large 2 small) |
$131.95
|
1 |
|
usually ships 13-18 days |
K2b |
991-1226
|
24V solenoid 4 post (2 large 2 small) |
$66.28
|
1 |
(NON-OEM) |
usually ships 18-24 days |
L1 |
172-8942
|
Solenoid valve (OBSOLETE) |
$663.53
|
1 |
|
usually ships 13-18 days |
M1 |
172-8921
|
Actuator |
$635.35
|
1 |
|
usually ships 13-18 days |
M2 |
172-9085
|
Motor actuator (OBSOLETE) |
$453.75
|
1 |
|
usually ships 1-5 days |
M3a |
172-9139
|
24V 3 stage vacuum motor |
$210.65
|
1 |
OEM |
usually ships 1-5 days |
M3b |
991-1210-P
|
24V 3 stage vacuum motor tangential with Packard plug |
$95.50
|
1 |
(NON-OEM) |
usually ships 1-5 days |
M4 |
172-8945
|
24 VDC .75 HP motor (OBSOLETE) |
$988.65
|
1 |
Models BR 2800C/BR 700C |
usually ships 1-5 days |
M4 |
172-8997
|
Motor (OBSOLETE) |
$1,832.77
|
1 |
Models HR 2800/BR 700 |
usually ships 1-5 days |
M5 |
172-8857
|
Drive motor / Wheel |
$4,827.35
|
1 |
|
usually ships 1-5 days |
N/S |
172-9109
|
Amber lens (OBSOLETE) |
$44.11
|
1 |
|
usually ships 1-5 days |
N/S |
172-9110
|
Flash tube |
$93.14
|
1 |
|
usually ships 1-5 days |
R2 |
172-2039
|
5K potentiometer |
$66.03
|
1 |
|
ships same day |
S1a |
172-8847
|
Key switch (OBSOLETE) |
$152.82
|
1 |
|
usually ships 1-5 days |
S1b |
172-8099
|
Replacement key (OBSOLETE) |
$22.41
|
|
|
usually ships 13-18 days |
S2 |
172-8800
|
Seat switch |
$83.60
|
1 |
|
usually ships 1-5 days |